相位检测电路

📅 发布时间:2013-09-30 10:00 👁️ 浏览:2 🏷️ 标签: 相位检测 电路

相位检测电路 

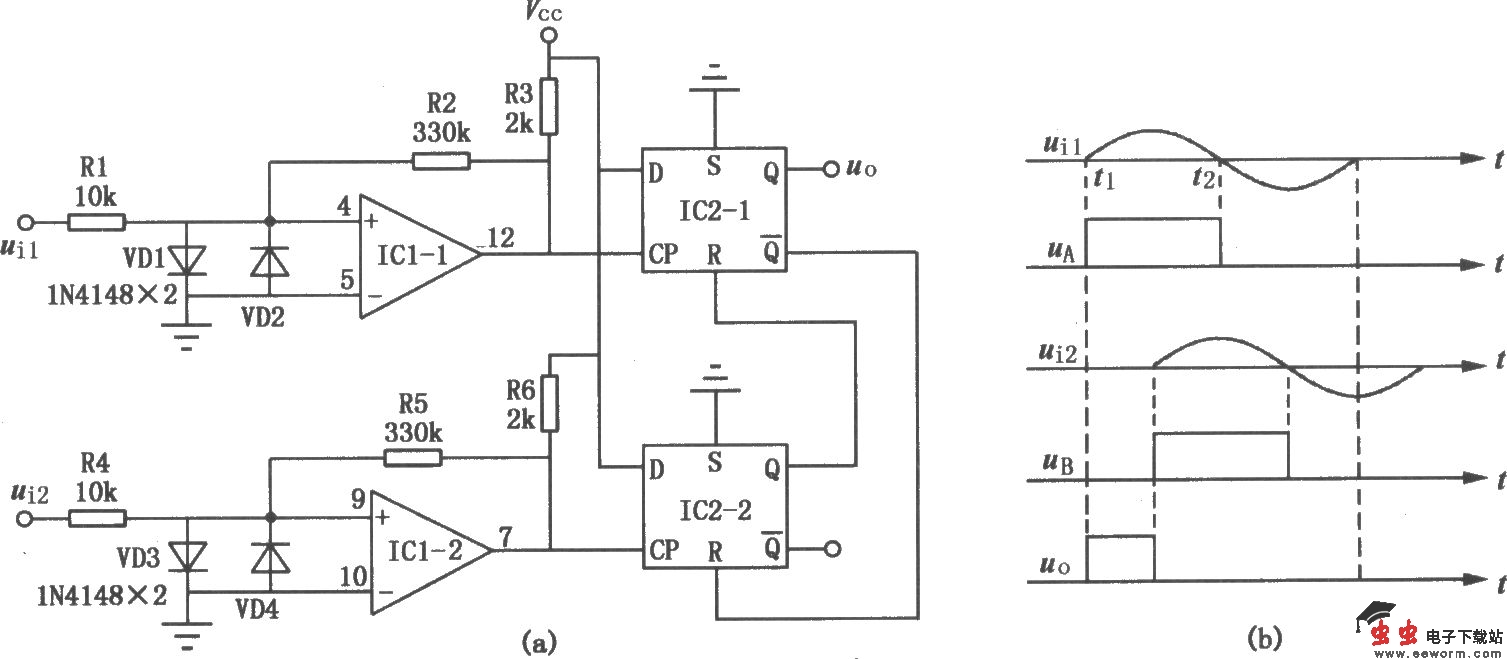
相位检测电路主要由ICl(双电压比较器LM319)和IC2(双D触发器C013)组成,如图所示。该电路具有结构简单、精确度高及抗干扰能力强等优点,在低频0~30kHz范围内,检测精度优于0.1o 。电路输出信号既可直接与计算机接口相连,也可经过低通滤波器与数字电压表连接,从而构成十分理想的相位检测器。

觉得这篇文章有帮助吗?