用CD4046组成的比较式电容检测仪

📅 发布时间:2013-09-30 09:30 👁️ 浏览:2 🏷️ 标签: 4046 CD 比较 检测仪

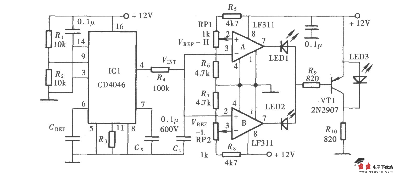
比较式电容检测仪是用来将被测电容与标准电容进行比较,测出被测电容的容量是大于或小于标准值,可用来快速检测某些产品所用电容是否符合设计标准,确保产品质量符合要求。其电路组成如图所示。

用CD4046组成的比较式电容检测仪 

觉得这篇文章有帮助吗?