粮食湿度检测器电路(一)

📅 发布时间:2013-09-30 05:05 👁️ 浏览:1 🏷️ 标签: 湿度 检测器 电路

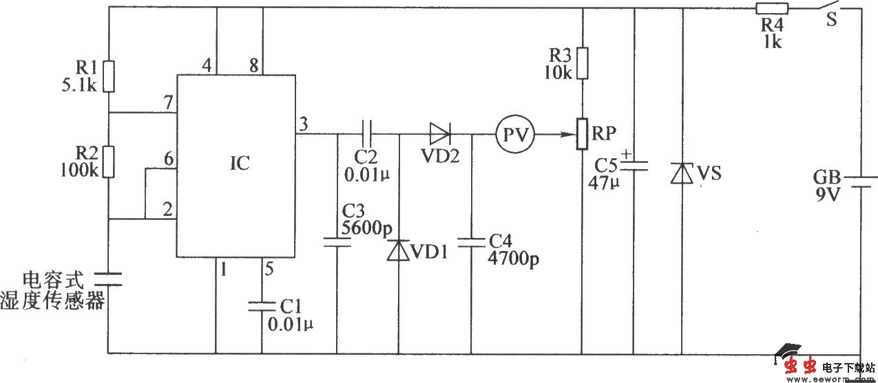
农民在向粮食收购单位交售小麦、稻谷、玉米、大豆等粒状粮食时,粮食收购单位对粮食的湿度(含水量)有一定要求。本例介绍的粮食湿度检测器,能快速、直观地检测出粮食的湿度是否符合粮食收购单位的要求,可供广大粮农和粮食收购单位使用。 该粮食湿度检测器电路由多谐振荡器、湿度指示电路和电源电路组成,如图所示。

粮食湿度检测器电路(一) 

元器件选择 R1~R3均选用1/4W碳膜电阻器;R4选用1/2W金属膜电阻器。 RP选用合成膜电位器。 C1和C2选用涤纶电容器或独石电容器;C3和C4均选用高频瓷介电容器;C5选用耐压值为l6V的铝电解电容器。 VD1和VD2选用2AP9型锗普通二极管或IN4148型硅开关二极管。 VS选用2CW14或2CW55(1/4W、6~7.5V)型硅稳压二极管。 IC选用NE555或5G1555型时基集成电路。 S选用动合按钮。 GB选用9V叠层电池。 PV选用0~2.5V的直流电压表。

觉得这篇文章有帮助吗?