粮食湿度检测器电路(二)

📅 发布时间:2013-09-30 04:55 👁️ 浏览:1 🏷️ 标签: 湿度 检测器 电路

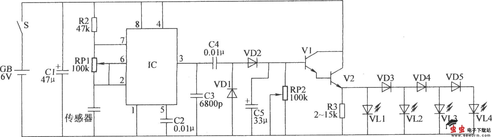
该粮食温度检测器电路由电源电路、多谐振荡器、检波电路和LEK指示电路组成,如图所示。

粮食湿度检测器电路(二) 

元器件选择 R1~R3选用1/4W的金属膜电阻器或碳膜电阻器。 RP1和RP2选用小型有机实心电位器或可变电阻器。 C1和C5均选用耐压值为16V的铝电解电容器;C2和C4均选用独石电容器;C3选用高额瓷介电容器。 VD1~VD5均选用1N4148型硅开关二极管。 VL1~VIA-均选用φ3mm的高亮度发光二极管。 V1选用S9013或3DG6型硅NPN晶体管;V2选用S8050或C8050、3DG8050型硅NPN晶体管。 IC选用NE555型时基集成电路。 S选用小型单极拨动式开关。 GB选用4节1号电池或使用6V直流稳压电源。 传感器使用两块厚度为3.5mm、面积相同的铜板(或铝板),将其安装在一个方形或矩形盒子的内部两侧并固定好,然后从两铜板各引出一条线,接至IC的2脚和l脚外接电路。检测时将粮食装入盒中,即可测出其湿度等级。

觉得这篇文章有帮助吗?