双限温度报警器电路(三)

📅 发布时间:2013-09-30 04:05 👁️ 浏览:1 🏷️ 标签: 温度报警器 电路

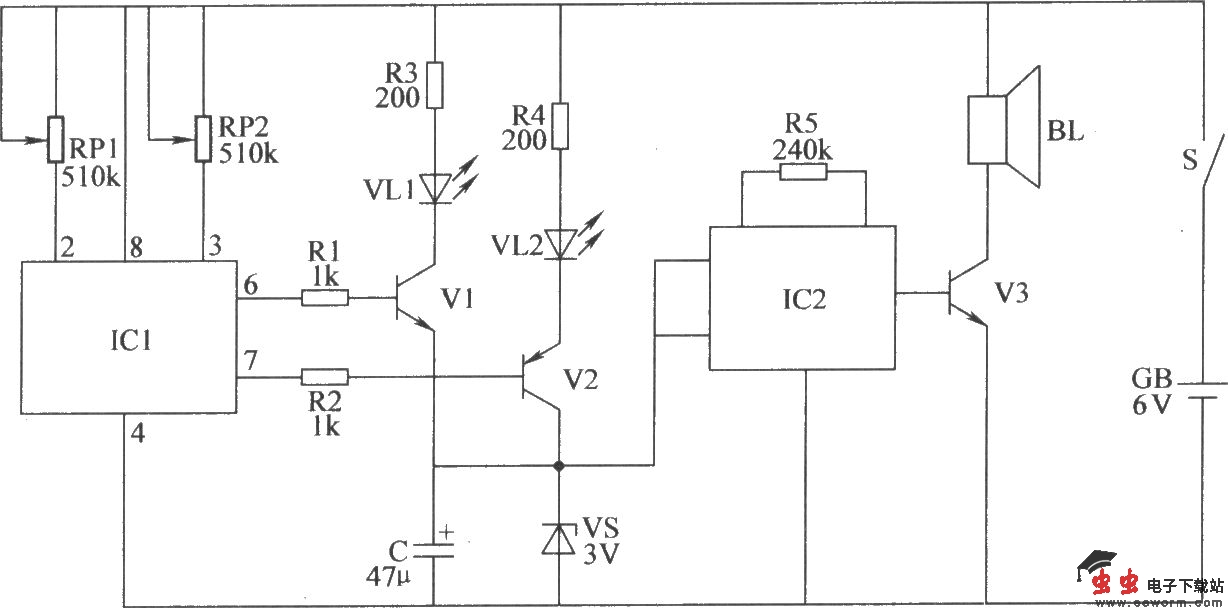
该双限温度报警器电路由温度检测控制电路、温度指示电路和声音报警电路组成,如图所示。

双限温度报警器电路(三) 

元器件选择 R1~R5选用1/4W金属膜电阻器或碳膜电阻器。 RP1和RP2均选用小型有机实心电位器。 C选用耐压值为10V的铝电解电容器。 VL1和VL2均选用φ3mm的高亮度发光二极管,VL1为红色,VL2为绿色。 VS选用1/2W、3V的硅稳压二极管。 V1和V3选用S9013或C8050型硅NPN晶体管;V2选用S9015或C8550型硅PNP晶体管。 IC1选用TC602型温度传感器集成电路;IC2选用KD9561型音效集成电路。 BL选用0.25W、8Ω的微型电动式扬声器。 S选用小型单极拨动式开关。 GB选用6V叠层电池。

觉得这篇文章有帮助吗?