数字遥测温度表(FDD5/JDD5)

📅 发布时间:2013-09-27 10:15 👁️ 浏览:0 🏷️ 标签: FDD JDD 数字 遥测

发射电路:

数字遥测温度表(FDD5/JDD5)

集成温度传感器AD590组成温度检测电路,将温度的变化转化为输出电流的变化。AD590的输出电流与测量温度成正比,即随着温度的上升,输出电流成1μA/K的恒定比率增大。当输出电流在流经RP2 时,在其上端形成电压降,这一电压经电压放大器放大后,作为电压-频率变换器的控制电压.

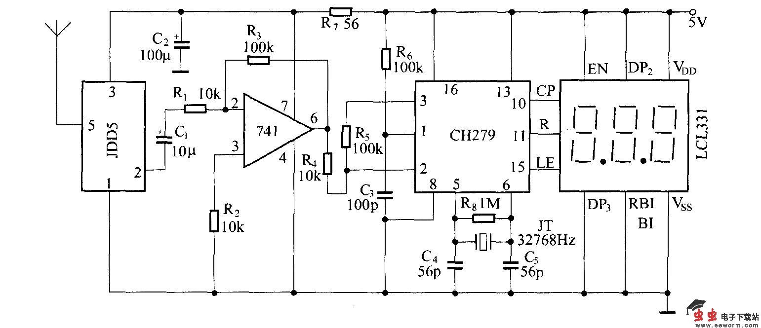
接收电路:

数字遥测温度表(FDD5/JDD5)

觉得这篇文章有帮助吗?