水位检测遥测电路

📅 发布时间:2013-09-27 08:05 👁️ 浏览:1 🏷️ 标签: 水位检测 遥测 电路

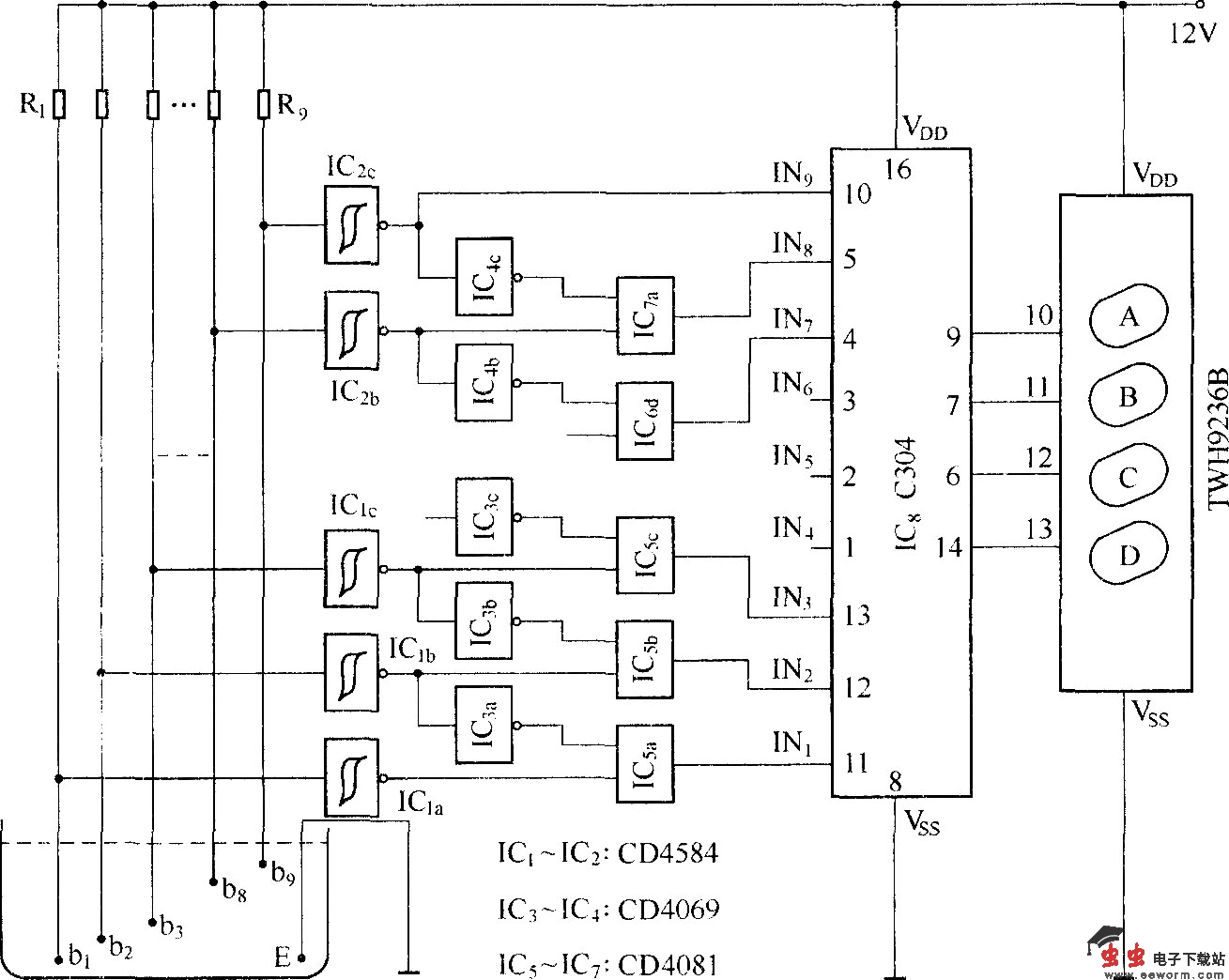
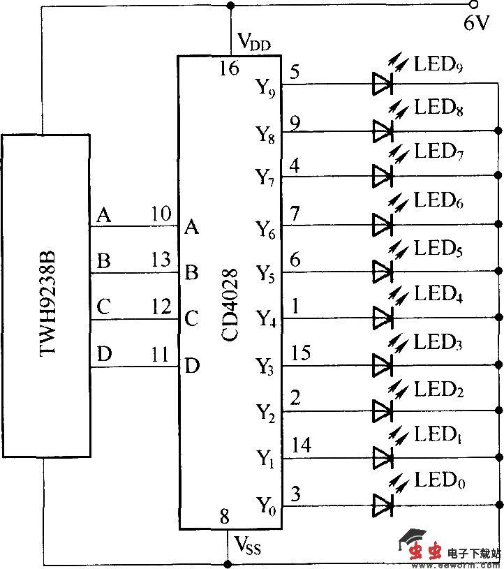
水箱水位的遥测是通过水位检测电极将水位的变化通过数字电路进行数字编码,通过无线电发射电路将编码向外发送。在接收端通过无线电接收电路将接收到的信号进行解调后,通过译码电路将编码还原并经显示电路将译码结果进行显示。

水位检测编码与无线电发射电路;

水位检测遥测电路

无线电接收译码与显示电路:

水位检测遥测电路

觉得这篇文章有帮助吗?