利用RD9481构成了多普勒效应自动开关电路

📅 发布时间:2013-09-27 05:35 👁️ 浏览:0 🏷️ 标签: 9481 RD 多普勒效应 自动开关

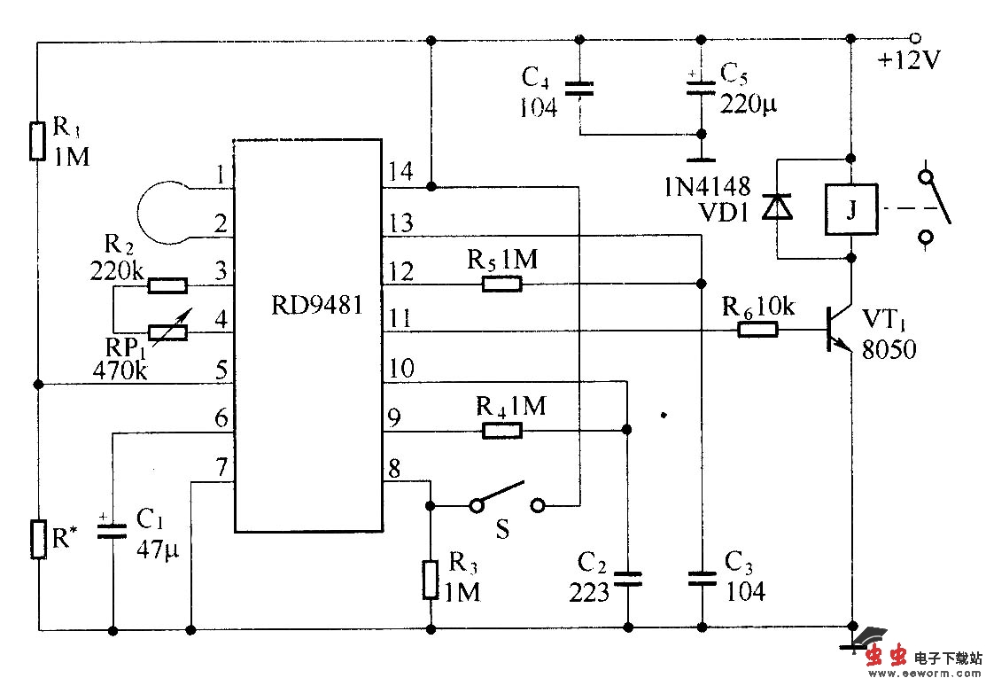
RD9481是微波物体位移检测专用混合集成电路,它能准确地检测物体的移动.其内部电路由微波收发电路,两级选通放大电路,电压比较器,状态控制器,延时定时器,封锁定时器和参考电压源组成,如下所示

利用RD9481构成了多普勒效应自动开关电路

利用RD9481构成了多普勒效应自动开关电路如下图所示:

利用RD9481构成了多普勒效应自动开关电路

觉得这篇文章有帮助吗?