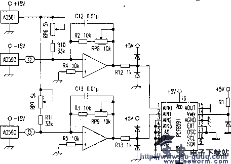
如图所示电路是暖水锅炉水温检测和A/D转换电路
AD581作为电流型温度传感器AD590的基准电源。两只AD590分别用来采集上水和回水的温度。温度变化时通过AD590的电流发生变化,温度每升高1℃,电流增加1μA。两只运放电路的作用是将电流信号转变为电压信号。图中RP6一RP9是温度校准电位器,均采用精细电位器。RP6和RP7分别用来校准0℃时两运放的输出电压,即将传感器置于冰水混合液中时,调节RP6或RP7使运放的输出电压为0V。RP8和RP9分别用来校准100~C~t两运放的输出电压,即将传感器置于沸水时,调节RP8或RP9使两运放的输出电压为某一确定值。此值由使用者决定,当然,其值大小要考虑A/D转换器选用的基准电源值。
A/D转换器PCF8591靠数据线SDA和时钟线SCL与CPU联系。由软件决定水温数据的采集时间和数据的存储以及送显。
