可控硅移相触发器KC001应用电路图
可控硅移相触发器KC001主要适用在各种供电装置中作可控硅的单路脉冲移相触发。触发器具有温漂小,移相线性度好,宽脉冲触发等优点。可以在单相、三相半控桥式供电装置中作移相触发使用。
电参数如下: 电源电压:直流 15V,-l5V,允许波动±5%(±10%时功能正常)。
电源电流:正电流≤15mA,负电流≤10mA。
同步电压:交流l0V(有效值)。
移相范围: a.≥l50°(同步电压l0V)。
b.≥210°(二相同步电压l0V分别输入时)。
锯齿波幅度:≥10V(幅度以锯齿波出现平顶为准)。
输出脉冲: a.脉冲宽度:l0µs~3.3脚(改变脉宽电容达到)。
b.脉冲幅度:>13V(输出接lkΩ电阻负载)。
(最大输出能力:15mA(吸收电流)。
d.输出反压:BVceo≥l8V(测试条件:Ie=20µA)。
移棚线性误差:≤±1%。
同步输入端反压:≥15V。
同步输入端允许最大同步电流:6mA(有效值)。
允许使用环境温度:-l0~ 70℃。

KC001引脚图 KC001电路本身由锯齿波形成电路,移相电压,偏称电压和锯齿波电压综合比较放大电路及移相触发脉宽调节电路三部分组成。

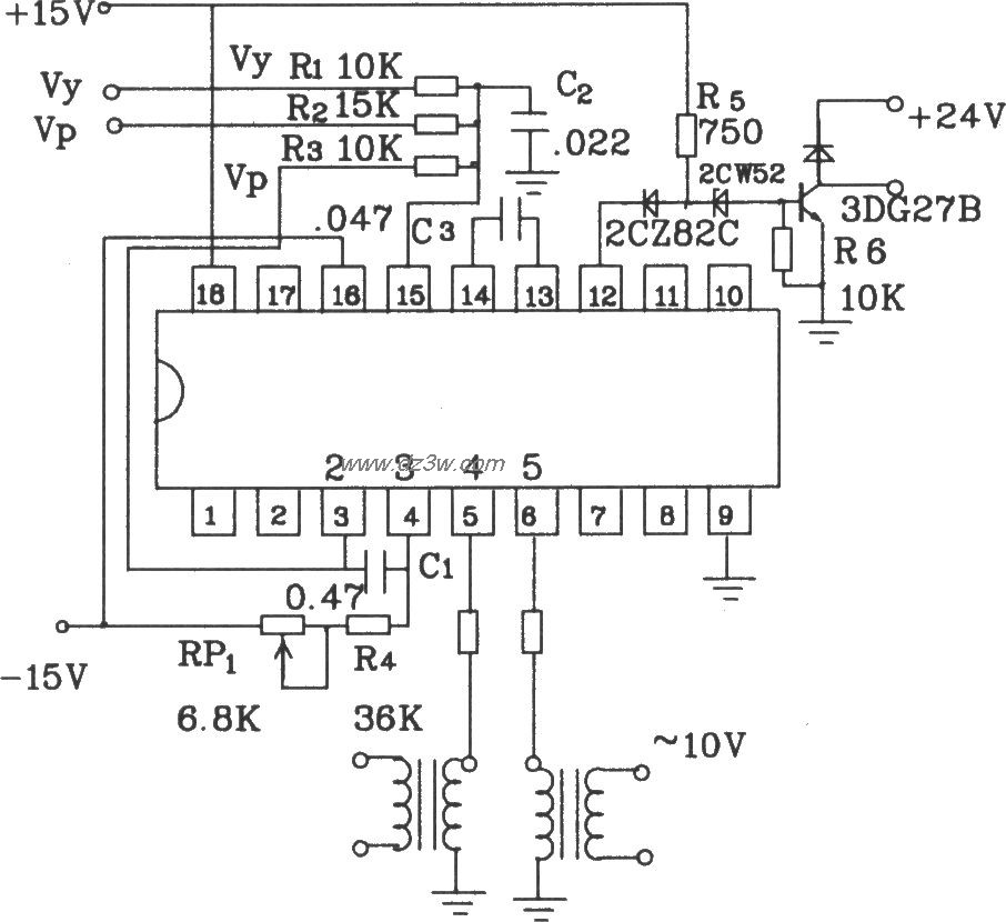
KC的应用电路图
各点波形图及二相同步接法图
可控硅移相触发器KC001应
觉得这篇文章有帮助吗?