可控硅移相触发器KC05应用电路图
KC05适用于双向可控硅或反并联可控硅线路的交流相位控制。具有锯齿波线性好、移相范围宽、控制方式简单、易于集中控制、有交互保护、输出电流大等优点。是交流调光、调压的理想电路。同样也适用于半控或全控桥式线路的相位控制。
电参数如下: 电源电压:外接直流电压 15V,允许波动±5%(±10%功能正常)。
电源电流:≤l2mA。
同步电压:≥l0V。
同步输入端允许最大同步电流:3mA(有效值)。
移相范围:≥l70°(同步电压30V,同步输入电阻10kΩ)。
移相输入端偏置电流≤l0µA。
锯齿波幅度:≥7~8.5V。
输出脉冲: a.脉冲宽度:l00µs~2 ms(通过改变脉宽阻容元件达到)。
b.脉冲幅度:>13V。
C.最大输出能力:200mA(吸收脉冲电流)。
d.输出反压:BVceo≥l8V(测试条件:Ie=100µA 允许使用环境温度:-l0~70℃。

KC05引脚图 KC05是由同步检波、锯齿波形成电路、电流综合比较放大电路、功率放大电路和失交保护电路等部分组成。
对不同的同步电压同步限流电阻可以按下式计算:

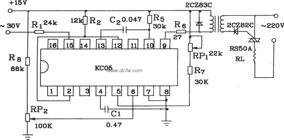
KC05的应用电路
KC05各点波形
可控硅移相触发器KC05应
觉得这篇文章有帮助吗?