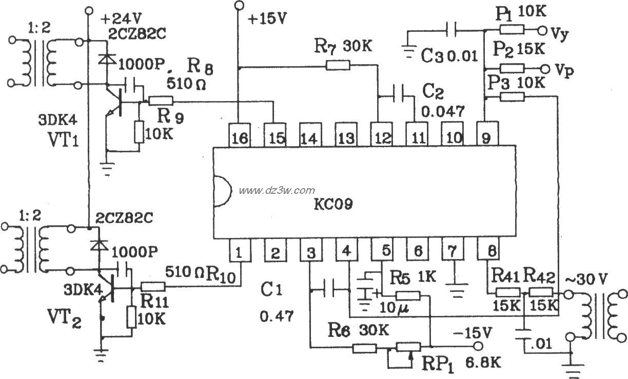
可控硅移相触发器KC09长脉冲应用电路图
KC09的引脚排列和KC04完全相同,可以互换使用。由于KC09内部采用了反向阻断四级硅晶闸管作脉冲记忆,提高了抗干扰能力和触发脉冲的前沿陡度,脉冲的宽度有较大的调节范围。该电路适用于单相、三相全控桥式供电装置中作可控硅的双路脉冲移相触发。两路相位差180。的移相脉冲可以方便地构成全控桥式触发线路。该电路具有输出负载能力大、移相性能好、正负半周脉冲相位均衡性好、移相范围宽、对同步电压要求低、有脉冲列调制输出端等功能和特点。
电参数如下: 电源电压:直流 15V,-l5V,允许波动±5%(±10%功能正常)。
电源电流:正电流≤15mA,负电流≤8mA。
同步电压:任意值(一般交流30V)。
同步输入端允许最大同步电流:3mA(有效值)。
移相范围:≥l70°(同步电压30V,同步输入电阻30kΩ)。
锯齿波幅度:≥10V(幅度以锯齿波出现平顶为准)。
输出脉冲: a.脉冲宽度:l00µs~2 mS(改变脉宽阻容元件达到)。
b.脉冲幅度:>13V。
C.最大输出能力:l00mA(流出脉冲电流)。
输出反压:BVceo≥lsv(N试条件:le=100µA)。

KC09引脚图
KC09应用电路
KC09各点波形图 KC09的同步串联电阻R4可以按下式计算:

KC09长脉冲应用电路
KC09长脉冲各点波形
可控硅移相触发器KC09长
觉得这篇文章有帮助吗?