LM139/239/339低功耗低

📅 发布时间:2013-08-18 15:00 👁️ 浏览:0 🏷️ 标签: 139 239 339 LM

LM139/239/339低功耗低失调电压比较器

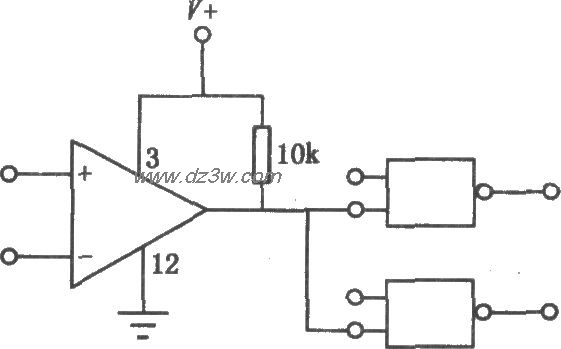
LM139/239/339是一种性能优良、应用广泛的电压比较器。其功耗小,失调电流低,偏置电流小,可单电源供电,输出端可与多种逻辑电路(TTL/DTL/ECL/MOS/CMOS)相容,每一封装有4个独立的比较器。上图为其内部电路框图,下图所示为其组成的带有滞后功能的同相电压比较器。


 


觉得这篇文章有帮助吗?