带“看门狗"的延时电路

📅 发布时间:2013-10-10 04:15 👁️ 浏览:5 🏷️ 标签: quot 看门狗 延时电路

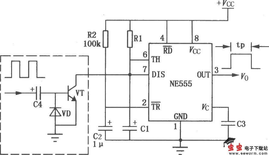
本电路原本是一个通电延时型的控制电路,延时时间由定时元件Rl、C1决定。但在带了“看门狗”电路后,可以利用它作为某些应用系统的监视电路。

觉得这篇文章有帮助吗?