电路工作原理
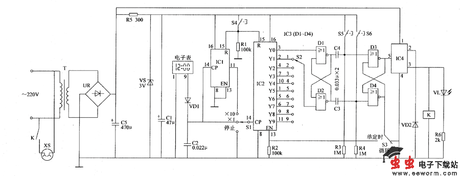
该定时控制器电路由电源电路、时钟信号发生器、计数分配器、RS触发器和开关输出电路组成,如图所示。
电源电路由电源变压器T、整流桥堆UR、滤波电容器C1、C5、限流电阻器R5和稳压二极管VS组成。
时钟信号发生器由电子表、二极管VD1、电容器C2和计数/分配器集成电路IC1组成。
计数分配器电路由计数/分配器集成电路IC2、电阻器RI、R2、定时选择开关Sl、S2和复位按钮S4组成。
RS触发器由或非门集成电路IC3(D1~D4)和电容器C3、C4、电阻器R3、R4、关闭按钮55、开启按钮56和循环/单定时转换开关53组成。
开关输出电路由电子开关集成电路IC4、二极管VD2、继电器K、发光二极管VI,和电阻器R6组成。
交流220V电压经T降压、UR整流、C5滤波后,产生12V直流电压,一路直接供给IC4;另一路经R5限流及VS稳压、C1滤波后产生3V直流电压,供给IC1~IC3。
由液晶电子表输出的1 mln时钟信号作为IC2的定时计数脉冲,在其输出端便得到定时1~9min的定时时间。若需要扩大定时范围,将S1拨到“×10”档,此时电子表输出的1 mln时钟信号先送至IC1进行计数分配处理后,得到的lOmin时钟信号作为iC2的计数脉冲,IC2将输出lO~90min的定时时间。
将定时工作时间选择开关S2置于5min定时档、S1置于“×1”档后,按动复位按钮S4,使IC1和IC2清零复位;IC1、IC2的YO端输出高电平,使RS触发器翻转为Dl输出低电平,D2、D3输出高电平,IC4内部的电子开关接通,K通电吸合,其常开触点将负载(用电设备)的工作电源接通。同时VL点亮,指示负载已通电工作。
当定时时间(5min)到时,IC2的Y5端输出高电平,使ItS触发器翻转为D1、D4输出高电平,D2和D3输出低电平,K释放,其常开触点将负载的工作电源切断。同时VL熄灭。此时若S3置于“单定时”位置9则定时时间到后,IC2停止计数;若S3置于“循环”位置,则IC2继续计时,5min后其YO端又输出高电平,使RS触发器翻转,K重新吸合,负载通电工作,定时时间(5min)到后,IC2的Y5端输出高电平,ItS触发器叉翻转……。如此循环,使负载间歇通电工作。

图 定时控制器电路
将S1置于“×10”档,S2置于5min定时档时,定时时间为50min。
将S1置于“停止”档时,该循环定时控制器变为手动控制,可通过按钮S5和S6来直接控制RS触发器的状态,从而控制负载的工作或停止。
使用定时功能时,应将电子表调到秒显示状态。若将电子表调在正常走时显示状态时,则电子表输出的时钟信号为1h(小时)信号,定时时间可延长1~9h(若将S1置于“×10”档, 则为10~90h)。
元器件选择
R1~R4和R6选用1/4W碳膜电阻器或金属膜电阻器;R5选用1/2W金属膜电阻器。
C1选用耐压值为10V的铝电解电容器;C2~CZ选用涤纶电容器或独石电容器;C5选用耐压值为25V的铝电解电容器。
VD1选用1N4148型硅开关二极管;VD2选用1N4007型硅整流二极管。
VS选用1/2W、3V硅稳压二极管。
VL选用Φ5mm普通发光二极管。
UR选用1A、50V的整流桥堆。
IC1和IC2均选用CD4017或CC4017、MC14017型十进制计数/分配器集成电路;IC3选用CD4001或CC4001、MCl4001型四或非门集成电路;IC4选用TWH8778型电子开关集成电路。[!--empirenews.page--]
S1选用单极三位(单刀三掷)拨动开关;S2选用单极九位波段开关;53选用单极双位拨动开关;S4~S6均选用微型动合按钮。
K选用12V直流继电器,其触点电流容量可根据负载时功率而定。
T选用3~5W、二次电压为10~12V的电源变压器。