
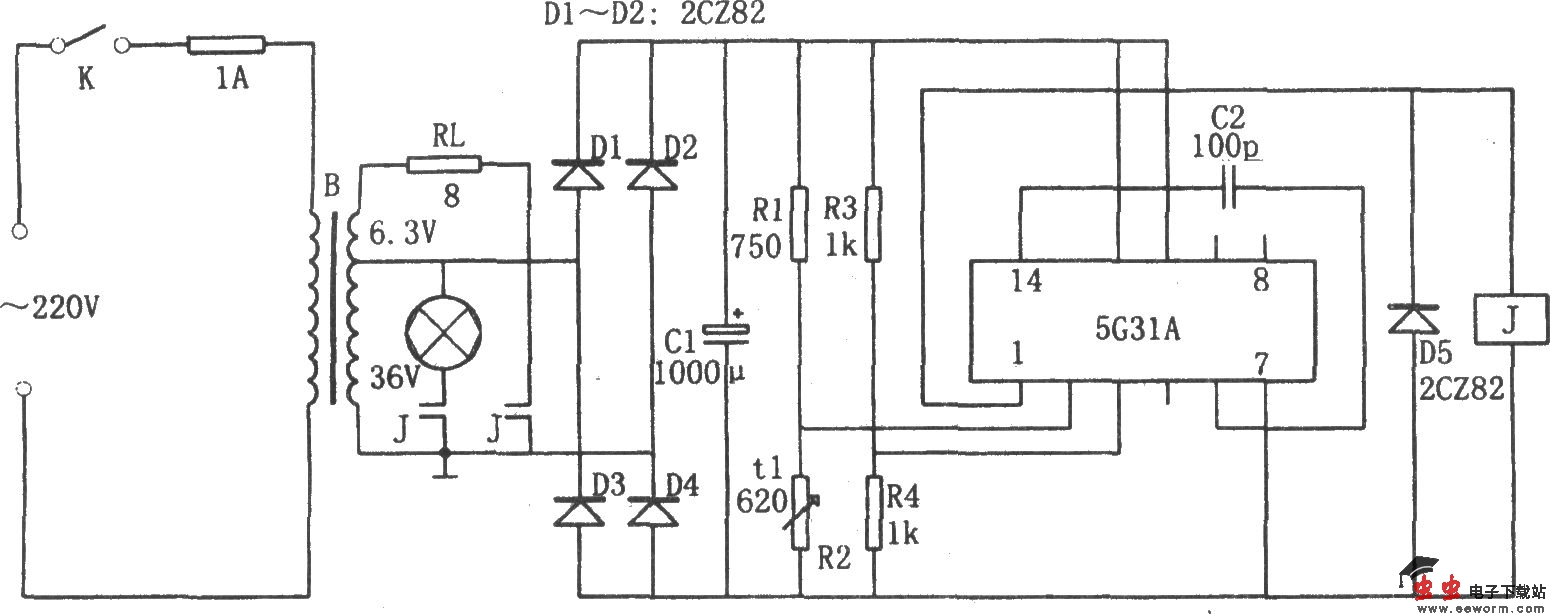
如图所示为显影液恒温控制电路。该电路由降压整流电源电路(B、D1~D4、C1等)、测温电桥R3~R4、电压比较放大和功率输出电路5G31、继电器J、负载RL等组成。其中R3、R4的阻值相同,并接入5G31的负输入端,以作电压基准。R2为热敏电阻,R1为温度调节电阻,RL为负载电阻(电热丝),5G31为音频功率放大器。
电源刚接通时,温度较低,R1对应阻值较大,从而使5G31因正输入端的电位高于负输入端的电位而输出高电平,相应使继电器J吸合,RL因接通电源而进行加热,使温度升高。当温度升到所控温度时,电桥平衡,再稍加热,5G31则因负输入端的电位高于正输入端的电位而输出低电平,从而使继电器J断开,RL因断开电源而停止加热。
另外,电路中的C2可用以消除5G31可能产生的自激振荡。RL为8Ω,加热功率为160W。使用本电路可使显影液恒温在20~22℃之间,以适用于一般黑白照片或胶卷的显影。