长时间定时电路(LM307N、CA3094)

📅 发布时间:2013-10-03 04:35 👁️ 浏览:0 🏷️ 标签: 307N 3094 307 LM

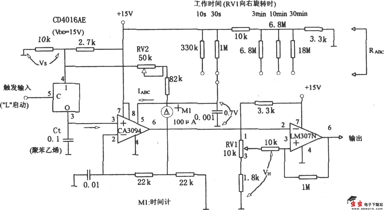
长时间定时电路(LM307N、CA3094)

如图所示为长时间定时电路。该电路采用可控运算放大器CA3094的放电式进行长时间定时,一般通过RV1改变VH,达到连续改变定时时间的目的。

觉得这篇文章有帮助吗?