
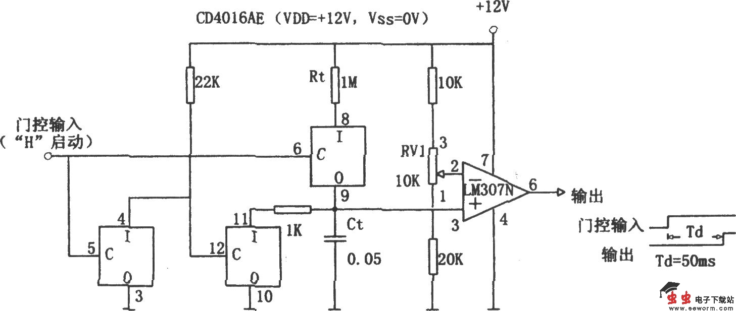
如图所示为高精度延迟定时电路。图中,Rt、Ct为定时元件,定时时间为T=RtCt(s)。为了调整定时时间,可通过改变Rt、Ct实现,但这样做将使稳定度变差,所以,一般通过调整比较器的比较电平来实现,即调整图中RV1。
该电路为提高定时精度。要求采用稳定的比较器、电容、电阻以及无失调电压、低导通电阻、高截止电阻的模式开关。所以,比较器一般采用运算放大器,如LM307N;Ct采用聚苯乙烯或者聚碳酸酯电容器;Rt使用金属膜电阻器;模拟开关最好选用CMOS器件,如本电路采用CD4016AE。

如图所示为高精度延迟定时电路。图中,Rt、Ct为定时元件,定时时间为T=RtCt(s)。为了调整定时时间,可通过改变Rt、Ct实现,但这样做将使稳定度变差,所以,一般通过调整比较器的比较电平来实现,即调整图中RV1。
该电路为提高定时精度。要求采用稳定的比较器、电容、电阻以及无失调电压、低导通电阻、高截止电阻的模式开关。所以,比较器一般采用运算放大器,如LM307N;Ct采用聚苯乙烯或者聚碳酸酯电容器;Rt使用金属膜电阻器;模拟开关最好选用CMOS器件,如本电路采用CD4016AE。