CW9300组成的定时门铃电路

📅 发布时间:2013-10-03 02:55 👁️ 浏览:1 🏷️ 标签: 9300 CW 定时门铃 电路

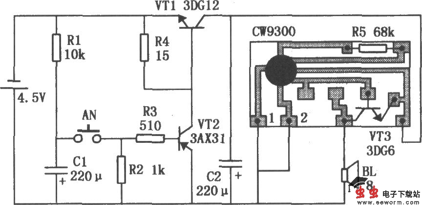
CW9300组成的定时门铃电路

如图所示为由CW9300组成的定时门铃电 路。它具有定时功能,即当按下按钮,乐曲只能播放几秒钟,松开按钮后马上再按门铃也不会响。

觉得这篇文章有帮助吗?