由NE556、CD40110组成的倒计时数显定时器

📅 发布时间:2013-10-03 01:30 👁️ 浏览:0 🏷️ 标签: 40110 556 NE CD

由NE556、CD40110组成的倒计时数显定时器

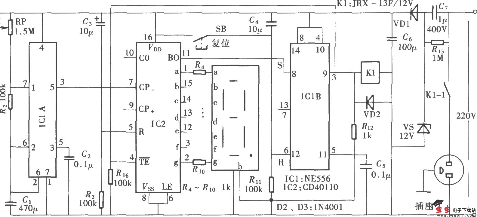
数字显示式倒计数定时器能够使人们随时看到剩余定时时间的多少,这对某些应用具有一定的实用价值。如图为一位数的数字显示式定时电路,其结构简单,易于制作,而且时基单位可调(即既可以秒为时基单位,又可以分为时基单位)。该电路以NE555电路组成的多谐振荡器作时基,虽然时间精度不十分高,但经济适用。电路组成如图所示。全电路由可调式时基信号发生器、减计数与显示器和输出信号控制电路等组成。

觉得这篇文章有帮助吗?