由CD4541组成的电扇模拟自然风控制电路

📅 发布时间:2013-10-03 01:05 👁️ 浏览:0 🏷️ 标签: 4541 CD 电扇 模拟

由CD4541组成的电扇模拟自然风控制电路

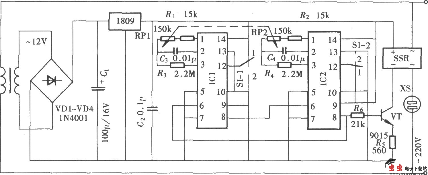
电扇模拟自然风电路实际上是一种开、停时间相互转换的循环式定时控制器。这种控制电路通过对电扇开、停时间的适当选择,使电扇时开时停。从而模拟出类似自然风的吹风状态,使人感觉到既凉爽又舒适。它的组成如图所示。IC1、IC2为CD4541。

觉得这篇文章有帮助吗?