
该定时器的特点是:(1)定时周期宽。开机时间和保持时间从几秒到2h,分别连续可调。(2)开机、保持时间分别用两种颜色,各10个发光二极管分段显示工作,剩余时间一目了然。(3)定时器可单次工作,也可重复工作。(4)定时器不用时可以当普通电源插座用。(5)定时器选用通用易购的门电路、触发器、计数器等,非常适合大中专学校教学实践用。
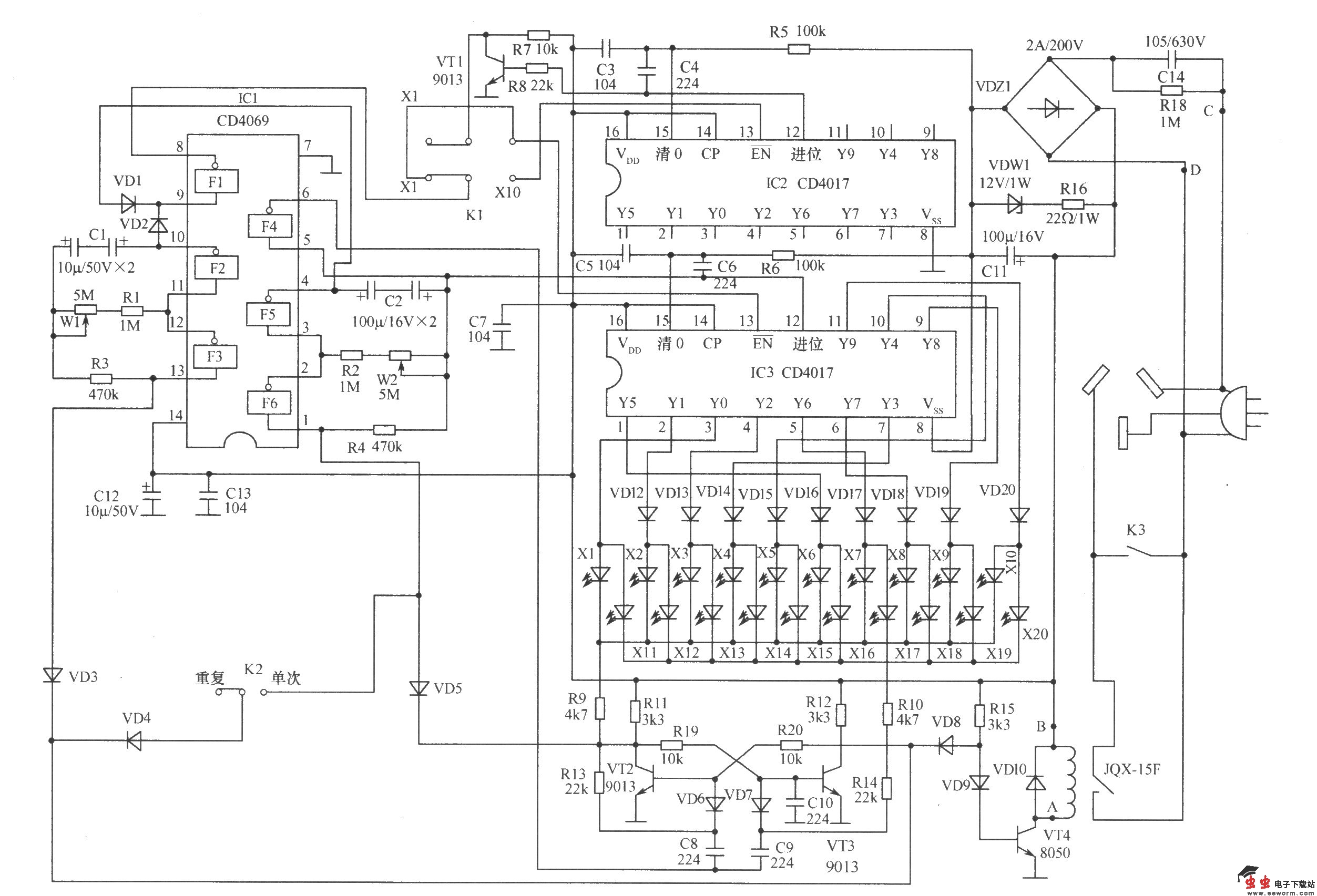
工作原理:由P2、P3、C1、W1等组成A振荡器,F5,F6、C2、W2等组成B振荡器,IC2为第一计数器,IC3为第二计数器,IC3的10个输出端分别并接两组各10个负极连在一起的发光二极管,它们的负极分别通过限流电阻R9、R10接在由VT2、VT3组成的双稳触发器的两个输出端点。
工作过程:IC2、IC3的清0端分别接有R5、C3,R6、C5组成清0电路使两个计数器置0,双稳态中VT3基极接有电容C10。所以通电瞬间VT3基极呈低电位,使VT3截止、集电极呈高电位使VT2导通,因VD8截止使VT4导通,继电器吸合,整机处于通电状态。与此同时,钳位二极管VD3截止使A振荡器开始工作;VD5导通使振荡器B中F6的输入端被钳位在低电平,所以振荡器B停振,振荡器A的脉冲信号,经VD2送到门F1倒相后,经K1送到IC3的EN端负脉冲输入端,每振荡一次计数器计一个数,其输出端按Y0~Y9的顺序分别输出正脉冲,由于VT2集电极为低电位,所以由X1~X10组成的发光管阵列被依次点亮,当计到第十个脉冲时(X10点亮后),IC3的12脚进位端给出一个进位正脉冲,它经门F4倒相变成负脉冲后经C8和C9去触发VT2、VT3组成的双稳态电路使之翻转,即变成VT2截止、VT3导通,VD8导通使VT4截止,继电器关断,整机处于待机状态,与此同时因VD3导通,振荡器A输入端被钳位从而停振。由于VT2截止,其集电极高电位使VD5截止,门F6输入解除钳位,振荡器B开始工作,其输出经VD1、F1送到IC3进行计数,但由于此时VT3导通,VT2截止,所以虽然IC3的Y0~Y9依旧顺序给出正脉冲,但此时X1~X10并不亮,而X11~X20经R10接到VT3集电极(低电位),所以X11~X20依次亮起,到X20亮后,同样IC3的12脚给出进位脉冲经F4倒相后,再次使双稳态翻转,使VT3截止、VT4导通,继电器吸合,电路再次处于通电状态。
从上述可以看出,定时器的工作周期,即是双稳态的翻转周期,而振荡器每输出10个脉冲,双稳态才翻转一次,因此振荡器的RC时间常数不必取得很大。实践证明,当R取6MΩ,C取5μF时触发器的翻转周期即可达十几分钟,为进一步扩大定时范围,该机在IC3前面又加一个计数器IC2。当K1置于X10时,F4送来的负脉冲被送到IC2的EN端,而IC2的12脚进位端给出的进位正脉冲经VT1倒相后,经K1被连在IC3的EN端上,这样F4送来10个脉冲,IC3才计数一次,送来100个脉冲后触发器才翻转一次,使定时周期扩大10倍。
由F2、F3组成的振荡器A只在VT2导通、VT3截止继电器吸合,电路处于开机状态时工作。此时X1~X10灯依次点亮,可以指示电路的开机时间,同时调节电位器W1可以改变通电时间的长短,由F5、F6组成的振荡器B只在VT3导通、VT2截止继电器断电、电路处于待机状态时工作,此时X11~X20灯依次点亮,可以指示电路的待机时间,同时调节电位器W2可以改变待机时间的长短。
以上所述是电路工作在重复状态,本机也可以工作在单次状态,当K2掷于单次状态,通电时,电路与重复工作时一样,开始VT3截止,VT2导通,VT4导通继电器吸合,电路处于通电状态,振荡器A开始工作,X1~X10灯依次点亮,但是到X10显示完后,IC3给出进位脉冲,双稳态触发器翻转使VT3变成导通时,VD3、VD4都被钳位,而VD4通过K2接到振荡器B的F6输入端上,这样两个振荡器都被钳位,而停振计数器停止计数,由于此时VT4截止,继电器断电,电路处于待机状态,这样就完成了一次定时关机的过程。
该机电路IC3的输出端中分别串有VD12~VD20的9个二极管,以防止各个输出端互相干扰,两个计数器进位端分别通过C4、C6接至电路的清“0”端,以保证在送出进位脉冲后,计数器能可靠地回零,就是当一个振荡器停振,另一个开始工作时,计数器从0开始工作,电路中,VD8、VD9为隔离二极管,可防止VT3截止时,由于VT4导通,使得VT3集电极电位过低导致两排灯都亮,电路中VD1、VD2为两个振荡器的隔离二极管。[!--empirenews.page--]
电路电源供给采用电容降压、降压电容应取耐压在400V以上的1μFCBB电容,继电器选用JQX-15,它的触点电流可达交流20A,可用来控制空调这样的负载,该机的定时电容C1、C2在选用电解电容时,一定要用二只电解电容反极性串联,以防止工作中漏电。
元器件选择:IC1选用CD4069,IC2、IC3均选用CD4017。VT1~VT3均选用9013三极管。X1~X20均选用Φ5mm红色发光二极管。继电器选用JOX-15。插座选用一个市售公牛牌CN-109六孔组合插座。其他元器件如图所示。
制作与调试:该机在制作时,选用了一个市售公牛牌CN-109六孔组合插座,将其中的4个插座卸掉,只保留两组,然后将线路板固定在卸掉插座的位置,在原插座处安一块73mm×76mm的有机面板,将调节旋钮、开关、显示灯开孔露出,并将面板向外壳粘死,原机指示灯拆掉,其位置正好放继电器,将继电器也用胶固定在外壳内。该机最后连线时继电器到插座的线应选足够粗导线,并连接可靠,以免通入大电流时负载发热起火。