
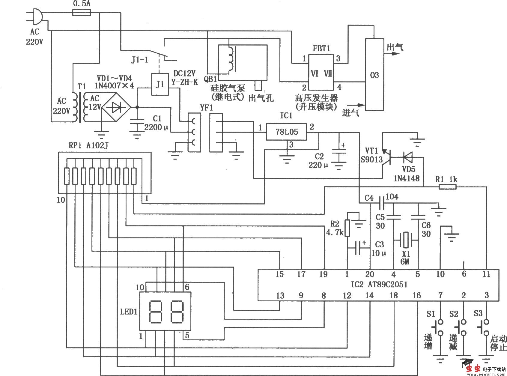
水果、蔬菜解毒器电路如图所示,它是利用臭氧消毒杀菌,降解水果、蔬菜中的农药残留成分。电路主要由电源电路、电子定时器、继电器驱动电路、气泵、高压发生器、臭氧发生器等组成。AC220V市电为气泵、高压发生器供电。另一路经降压变压器Tl降压、二极管VDl~VD4整流、电容C1滤波后,获得l2V左右的直流电压供继电器驱动电路使用。12V电压另经ICl三端稳压器KA78L05稳压后,形成稳定的5V电压给电子定时器电路供电。

水果、蔬菜解毒器电路如图所示,它是利用臭氧消毒杀菌,降解水果、蔬菜中的农药残留成分。电路主要由电源电路、电子定时器、继电器驱动电路、气泵、高压发生器、臭氧发生器等组成。AC220V市电为气泵、高压发生器供电。另一路经降压变压器Tl降压、二极管VDl~VD4整流、电容C1滤波后,获得l2V左右的直流电压供继电器驱动电路使用。12V电压另经ICl三端稳压器KA78L05稳压后,形成稳定的5V电压给电子定时器电路供电。