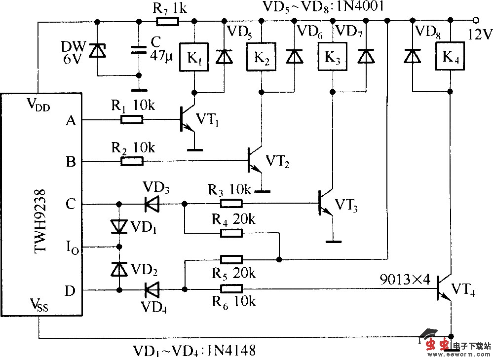
TWH9238的自锁\\互锁混合型应用

📅 发布时间:2013-09-27 07:40 👁️ 浏览:2 🏷️ 标签: 9238 TWH 自锁 混合型

TWH9238的自锁\互锁混合型应用

在该电路中,A,B两通道为互锁型输出,在同一时间内,只能有一路起到控制作用.C,D两通道为非锁型输出的接法,继电器K3,K4应采用自锁型继电器,若使用普通继电器,应在VT3,VT4的后面(或在输出端C,D)加接一组双稳态电路.

觉得这篇文章有帮助吗?