用5G5544、CD4511、CD4518构成的两位数显秒计时器

📅 发布时间:2013-09-25 05:05 👁️ 浏览:1 🏷️ 标签: 5G5544 4511 4518 CD

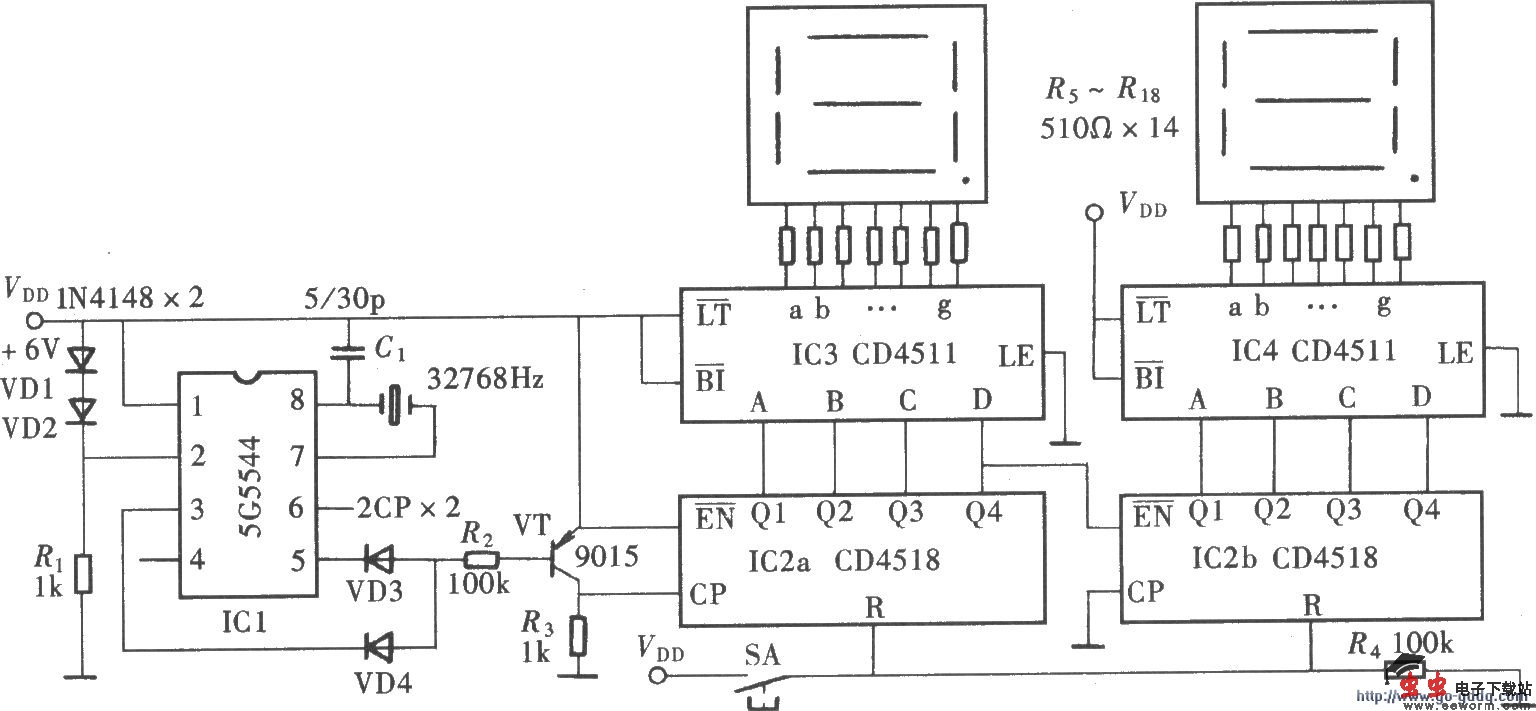
两位数显秒计时器(5G5544、CD4511、CD4518)

两位数显式秒定时器的最大定时时间为99s。该电路是由一只石英钟集成电路5G5544输出的脉冲信号作为时基信号而组成的电路。由于该电路输出的脉冲信号周期为2s,所以通过晶体管VT和计数器的两个计数输入端的配合,实现了秒时基输出功能。其电路组成如图所示。

觉得这篇文章有帮助吗?