定时范围广,本电路定时时间为0.1~99.9小时,经适当调整也可以是1~99.9分,或1~99.9秒。它与其它数显定时电路比较,所用集成块较少。
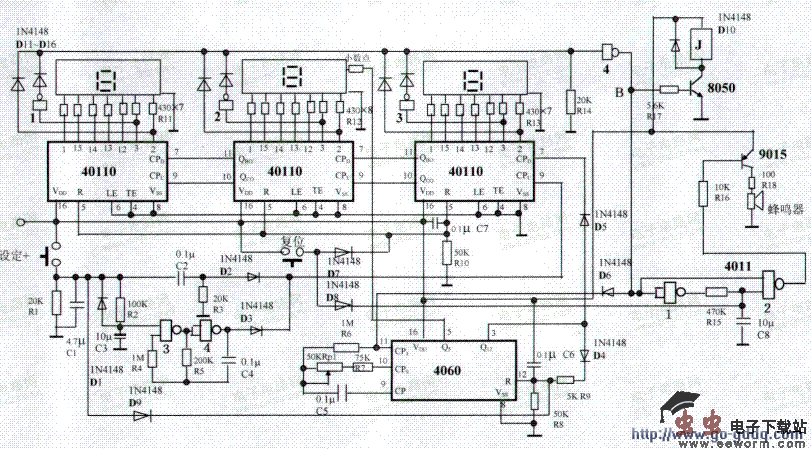
三位数显倒计时定时器电路如图所示。可逆计数器由三个CD40110组成。CD40110是一块集计数、译码、锁存及驱动为一体的集成电路,它可直接与LED共阴极数码管连接,以显示计数器所计的数值。四个非门(1~4)和六个二极管(D11~D16)组成控制门。只有当三个CD40110的“2”脚都为低电平,而“3”脚都为高电平时,非门4的输入端为低电平,输出端为高电平。也就是说,只有当三位数显为“000”时,非门4的输出端B才是高电平,其余状态B点为低电平。CPU为加法输入端,当有脉冲输入时,计数器作加法计数;CPD为减法输入端,当有脉冲输入时,计数器作减法计数。
设定按钮每单击一次,则产生一个单脉冲,通过C2、D2连接到计数器的加法输入端,产生加“1”计数。设定较大数值时,可持续按设定按钮,使C3获得高电平,开启由与非门3、4组成的多谐振荡器,产生较快速度的连续脉冲,通过D3连接到计数器的加法输入端,产生较快速度的连续计数,直到接近设定值时,再用单个脉冲完成精确的定时时间设定。
CD4060由一振荡器和14级二进制串行计数器组成。时钟脉冲由外围元件R6、R7、RP1及C5的振荡电路提供,RP1用作调节振荡频率。时钟脉冲经CD4060内部的14级二分频后的信号周期即为最小定时时间单元。该时基信号通过D5连接到计数器的减法输入端,对被设定的定时数值进行减法计数。减法计数到“000”时,B点为高电平,通过二极管D6连接到CD4060的“11”脚,使时钟信号发生器停止振荡,保持计数器显示为“000”。
B点的高电平使继电器电路的8050导通,继电器J吸合,由继电器的触点控制用电器电路的导通或断开。同时B点还连接到由与非门1、2构成的单稳态触发器的输入端,该单稳态电路的输出常态为高电平,当B点从低电平转变成高电平时的上升沿触发该单稳态电路,从而输出一个低电平暂态波形。这个暂态低电平使蜂呜器电路的9015导通,蜂呜器发声以提示定时时间到。蜂呜器发声时间的长短由积分电路R15、C8的时间常数决定。
另外,二极管D8的作用是防止当计数器的复位按钮按下时蜂鸣器发声。二极管D9的作用是,当设定按钮按下时使CD4060串行计数器复位。这样,每当定时时间设定后CD4060串行计数器从零开始计数,倒计时开始。
该电路定时范围较广,改变R6、R7、RP1及C5的数值以及选取CD4060不同的输出端,本电路定时时间为0.1小时到99.9小时。它与其它数显定时电路比较,所用集成块较少。

三位数显倒计时定时器电路
觉得这篇文章有帮助吗?