由CD4028组成的触摸式电子调光器电路

📅 发布时间:2013-09-25 01:10 👁️ 浏览:0 🏷️ 标签: 4028 CD 触摸式 电子

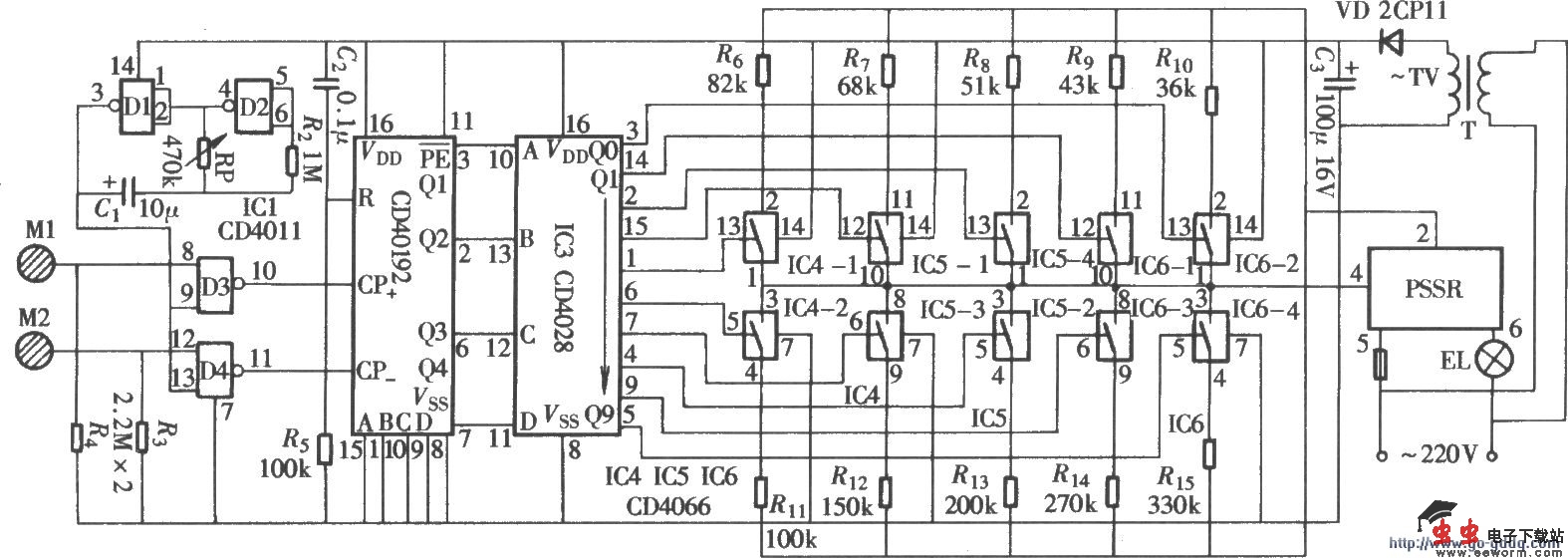
由CD4028组成的触摸式电子调光器

如图所示的触摸调光器采用一种“参数固态继电器”(PSSR)作主控元件,而不是通常所用的双向晶闸管。调光过程采用触摸方式,调节方便,电路组成如图所示。本电路由触摸控制信号输入电路、步进控制脉冲发生器、脉冲信号加/减计数器、脉冲信号译码分配器、十级控制开关和参数式固态继电器等组成。

觉得这篇文章有帮助吗?