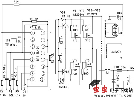
目前所有的双端输出驱动IC中,可以说美国德克萨斯仪器公司开发的TL494功能最完善、驱动能力最强,其两路时序不同的输出总电流为SG3525的两倍,达到400mA。仅此一点,使输出功率千瓦级及以上的开关电源、DC/DC变换器、逆变器,几乎无一例外地采用TL494。虽然TL494设计用于驱动双极型开关管,然而目前绝大部分采用MOS FET开关管的设备,利用外设灌流电路,也广泛采用TL494。为此,本节中将详细介绍其功能及应用电路。其内部方框图如图3所示。其内部电路功能、特点及应用方法如下:
A.内置RC定时电路设定频率的独立锯齿波振荡器,其振荡频率fo(kHz)=1.2/R(kΩ)·C(μF),其最高振荡频率可达300kHz,既能驱动双极性开关管,增设灌电流通路后,还能驱动MOS FET开关管。
B.内部设有比较器组成的死区时间控制电路,用外加电压控制比较器的输出电平,通过其输出电平使触发器翻转,控制两路输出之间的死区时间。当第4脚电平升高时,死区时间增大。
C.触发器的两路输出设有控制电路,使Q1、Q2既可输出双端时序不同的驱动脉冲,驱动推挽开关电路和半桥开关电路,同时也可输出同相序的单端驱动脉冲,驱动单端开关电路。
D.内部两组完全相同的误差放大器,其同相输入端均被引出芯片外,因此可以自由设定其基准电压,以方便用于稳压取样,或利用其中一种作为过压、过流超阈值保护。
E.输出驱动电流单端达到400mA,能直接驱动峰值电流达5A的开关电路。双端输出脉冲峰值为2×200mA,加入驱动级即能驱动近千瓦的推挽式和桥式电路。

觉得这篇文章有帮助吗?