LM1875采用TO-220封装结构,形如一只中功率管,体积小巧,外围电路简单,且输出功率较大。该集成电路内部设有过载过热及感性负载反向电势安全工作保护。
LM1875主要参数:
电压范围:16~60V
静态电流:50MmA
输出功率:25W
谐波失真:<0.02%,当f=1kHz,RL=8Ω,P0=20W时
额定增益:26dB,当f=1kHz时
工作电压:±25V
转换速率:18V/μS
电路原理:
LM1875功放板由一个高低音分别控制的衰减式音调控制电路和LM1875放大电路以及电源供电电路三大部分组成,音调部分采用的是高低音分别控制的衰减式音调电路,其中的R02,R03,C02,C01,W02组成低音控制电路;C03,C04,W03组成高音控制电路;R04为隔离电阻,W01为音量控制器,调节放大器的音量大小,C05为隔直电容,防止后级的LM1875直流电位对前级音调电路的影响。放大电路主要采用LM1875,由1875,R08,R09,C066等组成,电路的放大倍数由R08与R09的比值决定,C06用于稳定LM1875的第4脚直流零电位的漂移,但是对音质有一定的影响,C07,R10的作用是防止放大器产生低频自激。本放大器的负载阻抗为4→16Ω。

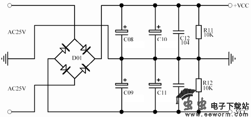
为了保证功放板的音质,电源变压器的输出功率不得低于80W,输出电压为2*25V,滤波电容采用2个2200UF/25V电解电容并联,正负电源共用4个2200UF/25V的电容,两个104的独石电容是高频滤波电容,有利于放大器的音质。

装配与调试:
工具准备:20W电烙铁一把,万用电表一个,尖嘴钳一把,螺丝刀一把,焊锡丝和松香水若干。
准备焊接:焊接时先焊接跳线,再焊接电阻,再焊电容,再焊整流管,再焊电位器,最后焊LM1875,焊接LM1875前须先把LM1875用螺丝固定在散热片上,否则在最后装散热片时螺丝很难打进去。LM1875与散热片接触的部分必须涂少量的散热脂,以利散热。焊接时必须注意焊接质量,对于初学者,可先在废旧的电路板上多练习几次,然后再正式焊接。
调试:本功放板调试特别简单,电路板焊好电子元件后,要仔细检查电路板有无焊错的地方,特别要注意有极性的电子零件,如电解电容,桥式整流堆,一旦焊反即有烧毁元器件之险,请特别注意。接上变压器,放大器的输出端先不接扬声器,而是接万用电表,最好是数显的,万用表置于DC*2V档。功放板上电注意观察万用电表的读数,在正常情况下,读数应在30mV以内,否则应立即断电检查电路板。若电表的读数在正常的范围内,则表明该功放板功能基本正常,最后接上音箱,输入音乐信号,上电试机,旋转音量电位器,音量大小应该有变化,旋转高低音旋钮,音箱的音调有变化。
值得一试的实验:将C6短路,用万用表测LM1875输出端的直流电位,看是否是在30MV以内,然后接上音箱试两小时,用万用表测LM1875输出端
