今天我们就利用超声波传感器的特性为大家介绍两款超声波遥控电图
1、超声波遥控电灯开关
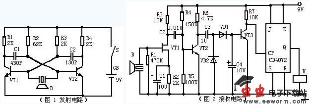
这种遥控开关,电路简单,且免调试,非常适合初学者制作。
1)工作原理
为发射电路。电路采用分立器件构成,VT1和VT2以及R1~ R4、C1、C2构成自激多谐振荡器,超声发射器件B被联接在VT1和VT2的集电极回路中,以推挽形式工作,回路时间常由R1、C1和R4、C2确定。超声发射器件B的共振频率使多谐振荡电路触发。因此,本电路可工作在最佳频率上。
(图2)为接收电路,结型场效应VT1构成高输入阻抗放大器,能够很好地与超声接收器件B相匹配,可获得较高接收灵敏度及选频特性。VT1采用自给偏压方式,改变R3即可改变VT1的表态工作点,超声接收器件B将接收到的超声波转换为相应的电信号,经VT1和VT2两极放大后,再经VD1和VD2进行半波整流变为直流信号,由C3积分后作用于VT3和基极,使VT3由截止变为导通,其集电极输出负脉冲,触发器JK触发D,使其翻转。JK触发器Q端的电平直接驱动继电器K,使K吸合或释放。由继电器K的触点控制电路的开关。
1、超声波遥控电灯开关
这种遥控开关,电路简单,且免调试,非常适合初学者制作。
1)工作原理
为发射电路。电路采用分立器件构成,VT1和VT2以及R1~ R4、C1、C2构成自激多谐振荡器,超声发射器件B被联接在VT1和VT2的集电极回路中,以推挽形式工作,回路时间常由R1、C1和R4、C2确定。超声发射器件B的共振频率使多谐振荡电路触发。因此,本电路可工作在最佳频率上。
(图2)为接收电路,结型场效应VT1构成高输入阻抗放大器,能够很好地与超声接收器件B相匹配,可获得较高接收灵敏度及选频特性。VT1采用自给偏压方式,改变R3即可改变VT1的表态工作点,超声接收器件B将接收到的超声波转换为相应的电信号,经VT1和VT2两极放大后,再经VD1和VD2进行半波整流变为直流信号,由C3积分后作用于VT3和基极,使VT3由截止变为导通,其集电极输出负脉冲,触发器JK触发D,使其翻转。JK触发器Q端的电平直接驱动继电器K,使K吸合或释放。由继电器K的触点控制电路的开关。

2)元件选用
发射电路中,VT1和VT2用CS9013或CS9014等小功率晶体管,≥100。超声发射器件用SE05—40T,电源GB采用一块9V叠层电池,以减小发射器体积和重量。
接收电路中,VT1和3DJ6或是3DJ7等小功率结型场效应晶体管。VT2~ VT3用CS9013,≥100。VD1和VD2用IN4148。JK触发器263B。超声接收器件用SE05—40R,与SE05—40T配对使用。继电器K用HG4310型。
2、超声波遥控电扇变速器
1)工作原理
(图3)为发射电路。它采用的是国产蝙蝠牌FS—A5A型电风扇的遥控发射器。这种发射器具有体积小、耗电省、工作可靠、电路简单等特点。在使用时,每按一下发射键,发射器发出约为500ms的40KHZ的超声波。发射电路的工作原理如下。
VT2和VT3构成直接耦合正反馈振荡电路,B为40KHz超声发射器件,并兼振荡电路反馈先频元件。因此,此电路可准确地振荡于超声发射器件的中心频率40KHZ。VT1和R2、C1组成500ms延时电路。R1、VD1是C1的放电通路,当按下发射键S时,VT2构成的振荡电路工作,发出超声波,同时,电源通过R2向C1充电,当C1上的电位充到1.4V时(约经过500ms),VT1导通,VT2基极以及VT3集电极电位下降为0.3V左右,振荡器停止工作,当松开发射键S时,C1通过VD1和R1迅速放电,为下一次发射作好准备.VD3和R4构成发射指示电路,当按发射键时,VD3发光。
1)工作原理
(图3)为发射电路。它采用的是国产蝙蝠牌FS—A5A型电风扇的遥控发射器。这种发射器具有体积小、耗电省、工作可靠、电路简单等特点。在使用时,每按一下发射键,发射器发出约为500ms的40KHZ的超声波。发射电路的工作原理如下。
VT2和VT3构成直接耦合正反馈振荡电路,B为40KHz超声发射器件,并兼振荡电路反馈先频元件。因此,此电路可准确地振荡于超声发射器件的中心频率40KHZ。VT1和R2、C1组成500ms延时电路。R1、VD1是C1的放电通路,当按下发射键S时,VT2构成的振荡电路工作,发出超声波,同时,电源通过R2向C1充电,当C1上的电位充到1.4V时(约经过500ms),VT1导通,VT2基极以及VT3集电极电位下降为0.3V左右,振荡器停止工作,当松开发射键S时,C1通过VD1和R1迅速放电,为下一次发射作好准备.VD3和R4构成发射指示电路,当按发射键时,VD3发光。

(图4)为接收电路。CMOS非门D1~ D3由R1偏置为线性放大器,总增益可达60bB以上,由于CMOS电路的输入阻抗较高,故能够很好与超声接收器件匹配。放大后的信号由C1耦合给锁相环译码器LM567的输入端3脚。当输入信号的频率落在其中心频率上时,LM567的逻辑输出端8脚由高电平变为低电平。
觉得这篇文章有帮助吗?