本电路适用于二极管、三极管极限电压、氖泡、日光灯起辉电压及电容器工作电压、电流等测定的可调直流稳压电源。
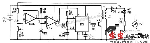
可调直流稳压电源电路如图所示。 由IC2(NE555)及其外围元件组成方波发生器,方波频率为20KHz。方波信号由IC2的③脚输出经功放管VT放大后输出到脉冲变压器T的初级L1,再由变压器耦合到次级L2经二极管VD2整流,给C3充电,C3两端的直流电压峰值最高可达2kV。
IC1a和有关元件组成电压比较器,由VD2提供其同相端③脚的基准电压0.7V。比较电压取自VE点,再通过分压器R1和R2的A点经电压跟随器IC将分压的A点电压送到IC1a的反相端。工作时,若Va<Vb,则IC1a输出高电位,此时IC2方波振荡器振荡,C3被充电,电压VE上升,当VE上升到使VA>VB时,VF出现低电位,IC2停振,若C3上电压再次下降时,即VA<VB,这时方波振荡器再次振荡,又给C3充电,如此循环,达到输出电压VE在3-2000V之间连续可调稳压的目的。

该可调直流稳压电源直流输出电压从电路中的X1和X2两端输出作被测器件的接口端。IC为为LM324,IC2为NE555。VD1反向工作电压大于2000V,VD2为任一型号的硅整流管。脉冲变压器T的铁心选用铁氧体材料,尺寸为E-7,绕制时先用0.17mm漆包线在L1上绕30匝,后用0.09漆包线在L2上绕满为止(大约1200匝)。L1、L2均用排绕,层间加聚乙烯薄膜。L2的两根引线应分开一些。电容器C3耐压应大于2000V,可选用C404M型高压瓷介电容器。VT的B>100、Icm>700mA,可选用3DG130、8050等。调试时若输出电压只有40--50V,只需把L2两端对调即可。其余元件如图标注。
觉得这篇文章有帮助吗?