⭐ 欢迎来到虫虫下载站!
|
📦 资源下载
📁 资源专辑
ℹ️ 关于我们
⭐ 虫虫下载站
🔐
登录
📝
注册
虫虫下载站
专业电子工程师资源平台
📤 上传资源
🏠 首页
📦 资源下载
📁 资源专辑
🔧 热门软件
⭐ 精品资源
🎓 基础知识
📐 电路图
📚 电子书
🔢 在线计算器
🔍 代码搜索
🏠 首页
›
电路图
›
基础电路
›
集成运放驱动的OCL功放
集成运放驱动的OCL功放
📅 发布时间:
2013-09-24 11:25
👁️ 浏览:
0
🏷️ 标签:
OCL
集成运放
驱动
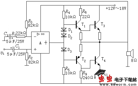
该电路若取电源为±15V时,负载上可获10W功率。
该电路与实例二主要区别:
(a)用集成运放替代了分立元件组成的驱动电路。
(b)用D1~D3为准互补电路设置静态工作点,克服交叉失真。
(c)引入电压串联负反馈(经R3)稳定工作点及放大倍数、减小失真。
觉得这篇文章有帮助吗?
👍 来顶一下 (
68
)
🔐 用户登录
×
加载中...
加载登录表单中...
🎁
免费注册送10积分
×
加载中...
加载注册表单中...
🔑 找回密码
×
加载中...
加载表单中...
🔐
需要登录
×
🔒
登录后即可使用!
🎁
新用户注册立即送10积分
积分可用于下载资源,免费获取优质技术资料
🚪
退出登录
×
👋
确认要退出登录吗?
退出后需要重新登录才能下载资源