红外报警开关采用国内外最流行的PIR人体热释电传感器作信号探测器,灵敏度高,探测距离可达10米以上,其俯视角可达86°,水平视角可达120°。因它仅对人体释放的、特定波长的红外光最敏感,因而误动作极小。
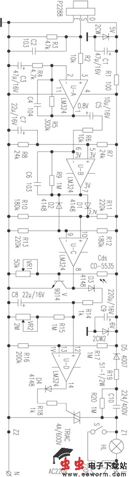
当有人在其探测区域内以0.3~3Hz的频率活动时,它就能感生出微弱的电信号,经U-A、U-B两级放大后,从U-B⑦脚输出0.5~5.5V的强信号。
D1、D2、R10~R13及U-C组成双门限比较器,因PIR感生的信号电压可正可负,故U-B⑦脚输出的电压亦可正可负(对中心电压3V而言)。当其输出的电压达到4.1V以上时,通过D1施加于U-C⑩脚的电压高于⑨脚的电压(3.3V),使U-C⑧脚输出高电位;而当U-B⑦脚输出的电位低于2V时,则U-C⑨脚的电压将通过D2下降至2.7V以下,其⑧脚也输出高电位。
平时无信号时,由于U-C⑨脚的电位(3.3V高于⑩脚(2.7V),故⑧脚无输出。当PIR接收到信号时,⑧脚就一定输出高电位,通过D3、R14给C8充电,使U-D{12}脚电位高于{13}脚,其{14}脚输出高电位触发双向可控硅导通,点亮电灯。
由于C8所储电能通过R15、VR2放电需时约2分钟,故在此2分钟内灯一直亮着。当C8上的电压低于{13}脚电压(1V)时,{14}脚无输出,可控硅关闭,灯自动熄灭。
在夜间入眠或家中无人时,可将开关S闭合,一旦有小偷潜入探测区域内,在灯亮的同时会伴随着铃声大作,可以将小偷吓跑,起到防盗的作用。
当有人在其探测区域内以0.3~3Hz的频率活动时,它就能感生出微弱的电信号,经U-A、U-B两级放大后,从U-B⑦脚输出0.5~5.5V的强信号。
D1、D2、R10~R13及U-C组成双门限比较器,因PIR感生的信号电压可正可负,故U-B⑦脚输出的电压亦可正可负(对中心电压3V而言)。当其输出的电压达到4.1V以上时,通过D1施加于U-C⑩脚的电压高于⑨脚的电压(3.3V),使U-C⑧脚输出高电位;而当U-B⑦脚输出的电位低于2V时,则U-C⑨脚的电压将通过D2下降至2.7V以下,其⑧脚也输出高电位。
平时无信号时,由于U-C⑨脚的电位(3.3V高于⑩脚(2.7V),故⑧脚无输出。当PIR接收到信号时,⑧脚就一定输出高电位,通过D3、R14给C8充电,使U-D{12}脚电位高于{13}脚,其{14}脚输出高电位触发双向可控硅导通,点亮电灯。
由于C8所储电能通过R15、VR2放电需时约2分钟,故在此2分钟内灯一直亮着。当C8上的电压低于{13}脚电压(1V)时,{14}脚无输出,可控硅关闭,灯自动熄灭。
在夜间入眠或家中无人时,可将开关S闭合,一旦有小偷潜入探测区域内,在灯亮的同时会伴随着铃声大作,可以将小偷吓跑,起到防盗的作用。

光敏电阻cds及三极管V等组成光控电路,白天因光敏电阻的阻值很小10kΩ以下),三极管V饱和导通,将U-C⑧脚钳位至0.3V左右,故无论有无感应信号,可控硅均不能导通,灯不能点亮;到了夜晚,因光敏电阻的阻值变大到几兆欧,三极管V导通截止,U-C⑧脚不再受其钳位,一旦PIR接收到信号,⑧脚就立即输出高电平,使可控硅导通,将灯点亮。
觉得这篇文章有帮助吗?