OTL与OCL相比,功放电路效率不低,但电源的利用率却不高,负载上得到最大电压分别为VCC/2和VCC(电源电压分别为VCC和±VCC),问题关键是在输入正弦信号的每半个周期中,电路只有一个晶体管和一半电源在工作。
BTL电路用两组对称的互补电路组成。如下图所示:

Ui正半周T1、T4导通,RL上获得正半周信号;Ui负半周时T2、T3同时导通,RL上获得负半周信号。所以忽略晶体管VCE(sat)时,输出Vcm=Vcc,输出的最大功率Pomax=VCC2/2RL ,还比原OTL电路提高4倍。要实现两路输出信号反相可以有多种方案,可利用差分放大的两个输出端获得,也可利用单管放大电路从集电极和发射极获得两个极性相反的信号。
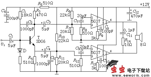
BTL功放:
(a)两个集成功放5G37组成BTL电路。
(b)Ui倒相电路利用3DG6晶体管的集电极和发射极相位相反来实现的。
(c)该电路输出功率3W。要注意电路的散热条件。
(d)在调节时要使静态时扬声器无直流电流。可通过分别调节R6和R10使两电路输出均为6V。若电路增益不够大可改变反馈电阻R8和R12。
BTL功放:
(a)两个集成功放5G37组成BTL电路。
(b)Ui倒相电路利用3DG6晶体管的集电极和发射极相位相反来实现的。
(c)该电路输出功率3W。要注意电路的散热条件。
(d)在调节时要使静态时扬声器无直流电流。可通过分别调节R6和R10使两电路输出均为6V。若电路增益不够大可改变反馈电阻R8和R12。

觉得这篇文章有帮助吗?