当电脑内部的温度超过规定的预置阈值时,扬声器发出温度过高报警。温度阈值可在0℃至100℃范围内自行调节。
电脑过热报警单元可用小块PC扩展卡的形式制作,在PC主机中找一块空闲的。插槽一插即可。报警单元的消耗电流仅12mA,可用PC中的电源供电;
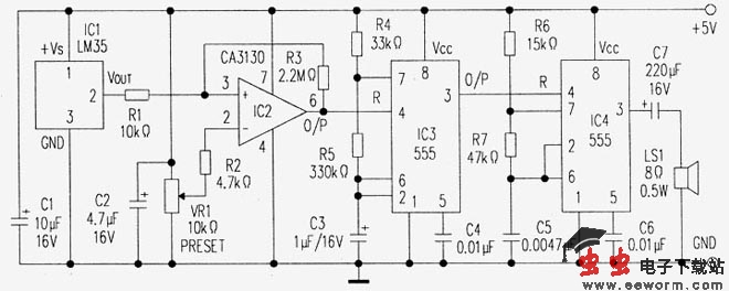
传感器LM35(IC1)提供片内信号调节功能,包括放大、电平移位和倒相。信号调节后,温度每升1℃,输出就增加10mv。因此对于0℃至100℃的温度范围,相应的输出电压范围为0V至1V。运放CA3130(IC2)为电压检测级,它将温度传感器的输出电压与比较器预置的基准电压相比较。如温度传感器的输出电压超过基准电压,则比较器的输出变高,使后面的低频振荡器IC3投入工作,转而激活音频振荡器驱动扬声器LS1发出“毕……毕”的报警声。基准电压的大小决定了触发报警的温度。
附图为报警器电路。LM35是温度传感器。IC2是用作比较器的运算放大器,VR1提供基准电压,可在0-1V内任意设定,基准电压加至IC2的反相输入端,LM35的输出则耦合至同相输入端。
低频振荡器IC3是标准的555多谐振荡器,频率为1Hz,IC4是另一只555多谐振荡器,频率为2.5kHz。输出波形是受1Hz调制的突发脉冲,用来推动扬声器发声。
电脑过热报警单元可用小块PC扩展卡的形式制作,在PC主机中找一块空闲的。插槽一插即可。报警单元的消耗电流仅12mA,可用PC中的电源供电;
传感器LM35(IC1)提供片内信号调节功能,包括放大、电平移位和倒相。信号调节后,温度每升1℃,输出就增加10mv。因此对于0℃至100℃的温度范围,相应的输出电压范围为0V至1V。运放CA3130(IC2)为电压检测级,它将温度传感器的输出电压与比较器预置的基准电压相比较。如温度传感器的输出电压超过基准电压,则比较器的输出变高,使后面的低频振荡器IC3投入工作,转而激活音频振荡器驱动扬声器LS1发出“毕……毕”的报警声。基准电压的大小决定了触发报警的温度。
附图为报警器电路。LM35是温度传感器。IC2是用作比较器的运算放大器,VR1提供基准电压,可在0-1V内任意设定,基准电压加至IC2的反相输入端,LM35的输出则耦合至同相输入端。
低频振荡器IC3是标准的555多谐振荡器,频率为1Hz,IC4是另一只555多谐振荡器,频率为2.5kHz。输出波形是受1Hz调制的突发脉冲,用来推动扬声器发声。

在设定VR1至合适的温度阈值之前,应确定好什么样的温度最合适。
若假设室温的正常值不超过25℃,则电脑内部的温度可能高到35℃,这样,VR1中心抽头电压应设定在350mV。
觉得这篇文章有帮助吗?