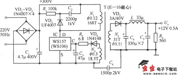
+12V、0.5A单片开关稳压电源的电路如图所示。其输出功率为6W。当输入交流电压在110~260V范围内变化时,电压调整率Sv≤1%。当负载电流大幅度变化时,负载调整率SI=5%~7%。为简化电路,这里采用了基本反馈方式。 接通电源后,220V交流电首先经过桥式整流和C1滤波,得到约+300V的直流高压,再通过高频变压器的初级线圈N1,给WSl57提供所需的工作电压。从次级线圈N2上输出的脉宽调制功率信号,经VD7、C4、L和C5进行高频整流滤波,获得+12V、0.5A的稳压输出。反馈线圈N3上的电压则通过VD6、R2、C3整流滤波后,将控制电流加至控制端C上。由VD5、R1,和C2构成的吸收回路,能有效抑制漏极上的反向峰值电压。该电路的稳压原理分析如下:当由于某种原因致使Uo↓时,反馈线圈电压及控制端电流也随之降低,而芯片内部产生的误差电压Ur↑时,PWM比较器输出的脉冲占空比D↑,经过MOSFET和降压式输出电路使得Uo↑,最终能维持输出电压不变。反之亦然。
绕制方法应为先绕N1,再绕N2,最后绕N3,并需注意线圈的极性。各绕组所用漆包线的线径与匝数已标明在图中。
如图所示12v开关电源电路图
如图所示12v开关电源电路图

觉得这篇文章有帮助吗?