现在的建筑物照明线路大都采用暗线,如果采用4线制的电子开关去控制这些照明灯,还要另接电源而改造线路,且工程耗时费力,又影响美观。今天我们来设计并制作了一款单线红外遥控开关。它只有单根进线、单根出线,可以直接代换家居中非常普及的墙壁开关,安装和代换都很方便;还可以方便地实现遥控。
一、性能简介:
该电路的优点是:⑴电路采用电流互感器原理来升压,采用二极管限幅、稳压, 巧妙地解决了开关自身供电的难题;⑵ 适用范围广,随便用彩电或影碟机遥控器就能遥控 ⑶它还具有自身压降小、功耗小等优点。

二、工作原理:
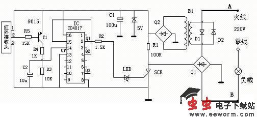
如图所示,电路左边A B端为单线进出端,和负载串联后接在220V市电上。集成块CD4017 接成双稳态触发电路,用来控制单向可控硅;SCR作为控制负载的通断的开关,可控硅导通相当于开关闭合;微型变压器B1是用来解决电子开关导通时自身电源的供给;二极管D1 D2并接在变压器的初级,将初级电压限制在0.7V左右,可以防止微型变压器初级线圈烧坏,也可以防止因负载电流过大而造成输出电压过高 。
当红外接收头接收到红外遥控信号时输出负脉冲,通过三极管T1到相后,通过R3 C2构成脉宽选通电路,输入到IC的脉冲输入端14脚。集成块IC 接成双稳态触发电路 ,每输入一个脉冲输出端②脚的状态就翻转一次,从而实现开、关的控制。
开关断开时:IC1的②脚为低电平,可控硅截止,负载断电。此时,市电通过全桥Q1整流、然后通过电阻R1分压后给电子开关提供低压直流电,保障了待机电源的供给。
开关导通时, IC1的输出端②脚为高电平,可控硅被触发导通,相当于开关闭合,负载得电而正常工作。负载回路中有电流流过,必然有电流流过变压器的初级线圈。由微型变压器升压,然后通过全桥Q2整流后,同样能给电子开关提供低压直流电。
可见,不论电子开关是导通还是截止,都能够解决电子开关电路的自身供电问题。每按动遥控器一次,电子开关的状态就会改变一次,从而实现遥控开关的功能。
三、器材选用与调试:
1. 图中可控硅、二极管、桥堆应根据负载电流大小而选定,击穿电压要在400V以上。
2. 微型变压器B1选用EE12以下的微型铁心。制作时,可以通过调整线圈匝数和匝数比,使次级输出电压达到电路的要求。如:输出电压要求为5V,那么初级和次级的匝数比一般选在1:10左右便可。
3. 红外接收头应选用负脉冲输出的一体化接收头,最好加装金属屏蔽罩,可以提高抗干扰能力。