红外灯遥控开关由热释电红外传感器作为人体接近感却器件,使灯控器可实现"人来灯亮,人走灯灭"的功能,特别适用于宾馆、办公、居民住宅楼楼道及家庭使用。
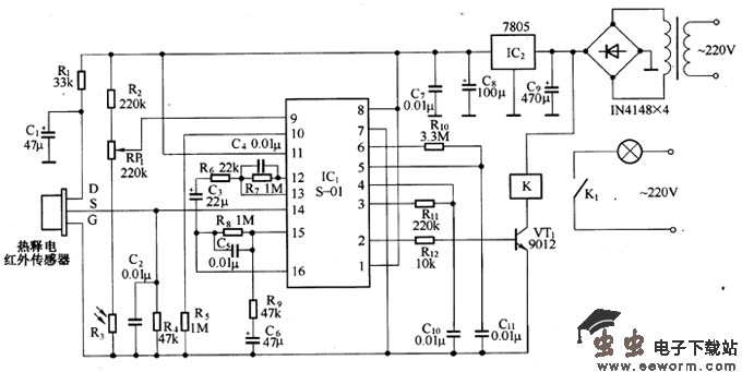
红外灯遥控开关的电路如图所示。它主要由热释电红外传感器、红外线处理集成电路S-01、控制电路及电源等组成。集成电路IC1内部包括放大器、比较器、状态控制器以及延时器等。在IC1外部连接的R2、RP3及R3是专为白天自动关灯而设置的调节装置。R3为一光敏电阻,它的阻值随光照而改变,白天己的阻值在几百欧至几千欧之间,夜晚将增大到1MΩ以上。调节RP1阻值的大小,可以在夜幕降临时使lC1的②脚输出高电平,而在天亮后输出低电平。电路中的R6-R9是为确定IC1内部放大器的增益而设置的。除此之外,IC1外接的R11、C10为延时网络,延时为1分钟。
红外灯遥控开关的电路如图所示。它主要由热释电红外传感器、红外线处理集成电路S-01、控制电路及电源等组成。集成电路IC1内部包括放大器、比较器、状态控制器以及延时器等。在IC1外部连接的R2、RP3及R3是专为白天自动关灯而设置的调节装置。R3为一光敏电阻,它的阻值随光照而改变,白天己的阻值在几百欧至几千欧之间,夜晚将增大到1MΩ以上。调节RP1阻值的大小,可以在夜幕降临时使lC1的②脚输出高电平,而在天亮后输出低电平。电路中的R6-R9是为确定IC1内部放大器的增益而设置的。除此之外,IC1外接的R11、C10为延时网络,延时为1分钟。

当热释电红外传感器检测到人体红外信号时,它将输出微弱的电信号至lC。的⒁脚,经IC1内部两级放大器放大后,再经电压比较器与其设定的基准电压进行比较,然后输出高电平,经延时处理后由IC1的②脚输出,驱动VT1使继电器K工作,其触点K1接通电灯电源,点亮电灯。当人离去时,1分钟后灯光自行熄灭。该电路还有连续触发的功能,当灯处于导通点亮状态,如果再出现第二次触发,则延时重新开始,以保持灯亮。要是现场有人一直停留而不离去,灯光就会持续点亮而不熄灭。
觉得这篇文章有帮助吗?