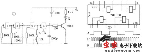
单通道红外遥控发射电路如图1所示。在发射电路中使用了一片高速CMOS型四重二输入“与非”门74HC00。其中“与非”门3、4组成载波振荡器,振荡频率f0调在38kHz左右;“与非”门1、2组成低频振荡器,振荡频率f1不必精确调整。f1 对f0进行调制,所以从“与非”门4输出的波形是断续的载波,这也是经红外发光二极管传送的波形。几个关键点的波形如图2所示,图中B′波形是A点不加调制波形而直接接高电平时B点输出的波形。由图2可以看出,当A点波形为高电平时,红外发光二极管发射载波;当A点波形为低电平时,红外发光二极管不发射载波。这一停一发的频率就是低频振荡器频率f1。 在红外发射电路中为什么不采用价格低廉的低速CMOS四重二输入“与非”门CD4011,而采用价格较高的74HC00呢?主要是由于电源电压的限制。红外发射器的外壳有多种多样,但电源一般都设计成3V,使用两节5号或7号电池作电源。虽然CD4011的标称工作电压为3~18V,但却是对处理数字信号而言的。因为这里CMOS“与非”门是用作振荡产生方波信号的,即模拟应用,所以它的工作电压至少要4.5V才行,否则不易起振,影响使用。而74HC系列的CMOS数字集成电路最低工作电压为2V,所以使用3V电源便“得心应手”了。74HC00的引脚功能如图3所示。

图4为红外接收解调控制电路。图中,IC1是LM567。LM567是一片锁相环电路,采用8脚双列直插塑封。其⑤、⑥脚外接的电阻和电容决定了内部压控振荡器的中心频率f2,f2≈1/1.1RC。其①、②脚通常分别通过一电容器接地,形成输出滤波网络和环路单级低通滤波网络。②脚所接电容决定锁相环路的捕捉带宽:电容值越大,环路带宽越窄。①脚所接电容的容量应至少是②脚电容的2倍。③脚是输入端,要求输入信号≥25mV。⑧脚是逻辑输出端,其内部是一个集电极开路的三极管,允许最大灌电流为100mA。LM567的工作电压为4.75~9V,工作频率从直流到500kHz,静态工作电流约8mA。LM567的内部电路及详细工作过程非常复杂,这里仅将其基本功能概述如下:当LM567的③脚输入幅度≥25mV、频率在其带宽内的信号时,⑧脚由高电平变成低电平,②脚输出经频率/电压变换的调制信号;如果在器件的②脚输入音频信号,则在⑤脚输出受②脚输入调制信号调制的调频方波信号。在图4的电路中我们仅利用了LM567接收到相同频率的载波信号后⑧脚电压由高变低这一特性,来形成对控制对象的控制。

弄清了LM567的基本工作原理和功能后,再来分析图4电路便非常简单了。IC1是红外接收头,它接收发射器发出的红外信号,其中心频率与发射器载波频率f0相同,经IC1解调后,在输出端OUT输出频率为f1的方波信号,也就是与图1中A点波形相同的信号。我们将LM567的中心频率调到与发射器中“与非”门1、2振荡频率相同,即使f2= f1。则当发射器发射信号时,LM567便开始工作,⑧脚由高电平变为低电平,利用这个变化的电平便可去控制各种对象。利用图4的电路,我们可以做成遥控开关,遥控家里的各种家用电器。
实际上,利用图1和图4所示的电路,我们也可以较容易地将其改造成多路遥控电路。方法是:在发射器(图1)中将电阻R*变成若干挡不同的数值,由此形成若干种频率不同的调制信号;在接收电路中,设置若干只LM567,其输入均来自红外接收头,各个LM567的振荡频率不同但与发射端一一对应。这样当发射器按压不同的按钮,接入不同的调制信号时,在接收端对应的LM567的⑧脚的电平就会发生变化,由此形成多路控制。严格说来,这属于一种频分多路,与数字编译码多路控制相比,缺点是调试比较复杂。但在有些场合,如在多路报警中,也有其一席之地。因在报警应用场合中,需要解决两路以上同时报警的问题时,用时分多路存在复杂的同步问题,在频宽允许的情况下用频分多路则很容易解决。
觉得这篇文章有帮助吗?