本电路工作原理:振铃——10分钟——振铃——45分钟课时——振铃——10分钟。
本电路工作原理:振铃——10分钟——振铃——45分钟课时——振铃——10分钟
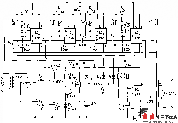
IC1~IC4为触发延时电路,延时时间可根据需要通过调节时间常数RC来校正。如IC1的延时td1=1.1(R2+RP1)C1,其余延时类同。
IC5为振铃时间定时控制电路,延时时间td5=1.1R13C12,约为10秒钟环形程序定时器IC1、IC4的输出,加至与门D1、D2,经过C11触发IC5,触发后,3脚呈高电平,将电铃DL电源接通。
IC5为振铃时间定时控制电路,延时时间td5=1.1R13C12,约为10秒钟环形程序定时器IC1、IC4的输出,加至与门D1、D2,经过C11触发IC5,触发后,3脚呈高电平,将电铃DL电源接通。

觉得这篇文章有帮助吗?