这款声光控开关电路是我们根据某公司生产的产品剖析而来,它全部由分立元件构成,而且元件易购,很适合于电子初学者自制。
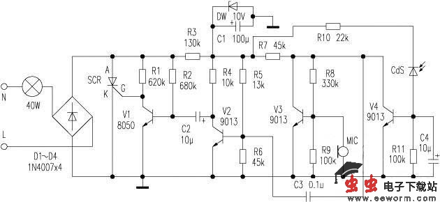
电路见图。该装置与灯泡串联分压后由D1~D4整流成脉动电压对V1供电,再经DW和C1稳压滤波后对V2~V4供电。
白天有光照时,光敏元件阻值减小,V4饱和导通,V3虽然设计在放大状态,但由于集电极电压受V4的钳位很低,故V3不能工作。V2处于饱和状态,V1也处于饱和状态,SCR的G极与K极之间触发电压很小,SCR不能导通,灯不亮。
晚上无光照时,光敏元件阻值增大,V4截止,V3集电极电压升高。当MIC拾取到声音后,经V3放大后由C3耦合至V2的基极,声音信号的峰值有可能使V2进入截止区,也可能使V1进入截止区。V1进入截止区后,SCR受触发导通,灯点亮。V2进入截止区后,DW上电压通过R4对C2充电。声音消失后,V2又饱和,C2正极处于地电位,使V1基极为负电位,V1保持截止,SCR保持导通,灯持续点亮。此后C2通过R4、R3、R2放电,放电完毕V1又处于饱和状态,SCR截止,灯熄。调整R2、C2的大小可调整灯亮时间的长短。

觉得这篇文章有帮助吗?