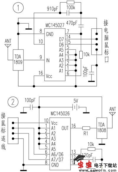
该装置利用编译码电路MC145026/MC145027和射频发射/接收模块TDA1808/TDA1809互相配合,可以在10~120m范围内灵活操纵鼠标,而且制作时无须对原有鼠标的外观及内部电路做任何改动,使用起来符合操作习惯,方便可靠,非常适合爱好者自制。 一般情况下,鼠标与电脑的连接线内部有4根电路连接线(该电路装置最多可以接受4条数据线输入,读者可根据自己鼠标的实际情况选择)分别是电源正极、电源地、数据线1、数据线2。我们将鼠标连线割断,分别找出这4根线,利用MC145026编码电路的数据传送端D6和D7接受鼠标数据线1和数据线2传来的数据,并在芯片内部编码后经射频发射模块TDA1808发射出去。 射频发射模块TDA1809工作后,将接收到的编码信息输入MC145027译码电路,经其转换后在该芯片数据输出端D6和D7复原原鼠标数据线1和数据线2的信号,并通过原鼠标与电脑的连接线送入计算机。 可以看出,上述电路无须改动鼠标及计算机,无须安装额外的鼠标驱动软件,原有鼠标的所有功能亦能正常使用。

觉得这篇文章有帮助吗?