一些高档电器,如计算机、通信设备、家用视听设备对电源的要求较高,采用普通分立元件或三端稳压集成电路制作的普通型稳压电源已不能满足这些电器设备的要求。用上述方法制作出的稳压电源不是体积庞大,就是功率太小,保护功能也不完善,因此,这类电器的电源已开始向开关稳压电源过渡。
本文向大家介绍的这款开关稳压电路,采用美国Lambda公司生产的LA6350单片大功率
开关稳压集成电路设计的开关型稳压电源,不仅电路简单、调试容易、功能完善,而且所需的散
热器面积小、输出功率大、制作成本低,是电子爱好者制作开关稳压电源的理想电路。
LA6350具有以下特点:
1)输出电压在 2.5-30V内连续可调;
2)单片输出电流可达5A;
3)开关工作频率高于22kHz;
4)转换效率大于90%;
5)工作温度为-55度~+125度
6)具有软启动开机,过流快速关断以及过热保护等功能。
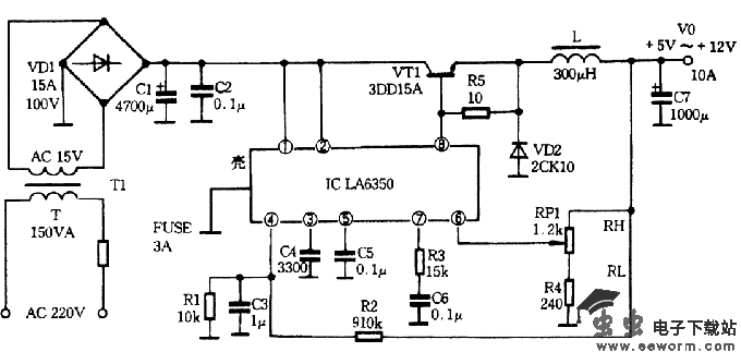
电路如图所示。电路采用该芯片制作的输出电流可达10A,输出电压在5-12V内可调的实用大功率开关型稳压电源。其工作原理为:220V交流电源经变压器T1降压,桥堆VD1整流,C1、C2滤波后得到一直流电压。IC第①、②脚为直流电压输入端,其最高输入电压为+40V。该直流电压经IC内部的振荡器调制为200kHz左右的高频开关电压,振荡器的开关频率由外接振荡电容器C4决定。当C4的值取为3300pF时,电源的开关频率约为200kHz;R3、C6为环路调节放大器的频率补偿网络,由第7脚输入。IC第④脚为抑制输入端,其闭锁电压的阈值为0.7V,输出电压经取样电阻R2反馈至第④脚后与R1比较,当阈值电压大于0.7V时,输出关闭,起到短路过流保护作用。第6脚为输出电压调节控制端,由电位器RP1及电阻R4将输出电压分压后得到调节电压检测值,调节电位器RP1可控制输出电压的大小,输出电压值可由公式:VO=Vref{1+Rh/(RL+R4)}进行估算。其中,Vref为基准电压,为2.1V。第8脚为输出端,VT为电流放大管,VD2为反向续流二极管,L为滤波电感器。
本文向大家介绍的这款开关稳压电路,采用美国Lambda公司生产的LA6350单片大功率
开关稳压集成电路设计的开关型稳压电源,不仅电路简单、调试容易、功能完善,而且所需的散
热器面积小、输出功率大、制作成本低,是电子爱好者制作开关稳压电源的理想电路。
LA6350具有以下特点:
1)输出电压在 2.5-30V内连续可调;
2)单片输出电流可达5A;
3)开关工作频率高于22kHz;
4)转换效率大于90%;
5)工作温度为-55度~+125度
6)具有软启动开机,过流快速关断以及过热保护等功能。
电路如图所示。电路采用该芯片制作的输出电流可达10A,输出电压在5-12V内可调的实用大功率开关型稳压电源。其工作原理为:220V交流电源经变压器T1降压,桥堆VD1整流,C1、C2滤波后得到一直流电压。IC第①、②脚为直流电压输入端,其最高输入电压为+40V。该直流电压经IC内部的振荡器调制为200kHz左右的高频开关电压,振荡器的开关频率由外接振荡电容器C4决定。当C4的值取为3300pF时,电源的开关频率约为200kHz;R3、C6为环路调节放大器的频率补偿网络,由第7脚输入。IC第④脚为抑制输入端,其闭锁电压的阈值为0.7V,输出电压经取样电阻R2反馈至第④脚后与R1比较,当阈值电压大于0.7V时,输出关闭,起到短路过流保护作用。第6脚为输出电压调节控制端,由电位器RP1及电阻R4将输出电压分压后得到调节电压检测值,调节电位器RP1可控制输出电压的大小,输出电压值可由公式:VO=Vref{1+Rh/(RL+R4)}进行估算。其中,Vref为基准电压,为2.1V。第8脚为输出端,VT为电流放大管,VD2为反向续流二极管,L为滤波电感器。

IC为专用开关型稳压集成电路LA6350,其外壳接地并接散热器。R5的功率应大于5W。IC外围电路中,除振荡电容C4选择高频电容器外,电阻R1、R2应选择允许偏差<1%的高精度金属膜电阻外,其余元件无特殊要求,按图中参数选取小型器件即可。由于输出电压为高频开关式,因此IC和功率三极管VT所需的散热器仅为普通稳压电源的三分之一,且性能远远高于普通的稳压电源。
觉得这篇文章有帮助吗?