晶体管简单的逆变器电路

📅 发布时间:2013-09-24 05:15 👁️ 浏览:2 🏷️ 标签: 晶体管 逆变器电路

在偏远家村,会经常有停电现象,有些大学到一定时候也会关灯,不过这没关第有了它,你就可以解决。

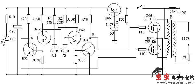
这是一款非常容易制作的逆变器,可以将12V电源电压变为220V市电,电路由BG2和BG3组成的多谐振荡器推动,再通过BG1和BG2驱动,来控制BG6和BG7工作。

其中振荡电路由BG5与DW组的稳压电源供电,这样可以使输出频率比较稳定。

在制作时,变压器可选有常用双12V输出的市电变压器。可根据需要,选择12V蓄电池的容量。

觉得这篇文章有帮助吗?