全自动水塔水位控制电路图

📅 发布时间:2013-09-24 04:55 👁️ 浏览:11 🏷️ 标签: 全自动 水塔 水位控制 电路图

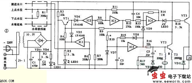
目前市售水位控制器大都没有水塔(池)进水指示与保护、报警功能,当水源无水或水泵故障时,不能自动停泵,既浪费电能,又容易烧毁电机。当水位低于下水位且泵无水时,不能及时停泵报警,提醒用户。因此,其安全性与可靠性尚有不足。本款全自动控制器电原理图。同相器IC3、IC4组成大回差施密特触发器。R12、C4为积分电路,能有效地消除交流电源引入的干扰。R14、R13使IC4输出呈施密特特性。通过水塔地电极与下、上水位电极跟水顺序接触,改变IC3输入电压,实现水位自动控制。

  IC1、IC2、IC3的输出共同控制三极管VT1。VT1导通时,C3放电,IC5输出为负。VT1截止时,VD7反偏,电源经R10向C3充电,延时开始。到达延时时间后,IC5输出变正,电路进入保护或报警状态。延时时间应调整为略大于开泵至水塔有进水所需的时间。VT1截止有两种情况:①IC1与IC2输出都为正,即水位在上水位电极以上和进水口仍有水流。这是专为自来水压力不正常须装加压泵或自来水与井、河水并用的环境而设计的报警。当自来水压力能自流上水塔时,水满报警,提醒用户关闭水阀。如果水塔加装水位浮球阀,并使浮球阀关水线在上水位电极上方,则不需报警便能自动控制。这时应拆去VD5、VD6,并将VT1发射极接电源负极,使IC2输出开路以消除本项报警。②IC1、IC2、IC3输出都为负,即水位在上水位电极以下、水泵工作和水抽不(未)上水塔时的状态。这时,在延时时间内,水塔进水口若有水流,则IC1输出变正,VT1导通;若仍无水流,则IC5输出因C4充电电压上升而变正。VD8、R15能加速IC5翻转和消除电源波动的影响。IC5的输出分两路,一路为VT2提供基极电流,产生鸟叫声报警;一路通过VD9加至IC4输入端,使其输出变正,水泵停泵,同时通过R11作用于IC3输入端。这时,若水位在下水位电极以上,则施密特电路翻转为正,VT1导通,报警停止,电路回复正常状态。若水位在下水位电极以下时,由于水电阻开路,IC3输出仍为负,停泵报警状态被锁定。若要启动水泵,须使控制器停电几秒钟后再通电。图中LED1为电源指示,LED2为进水指示,LED3为开泵指示。  R16、R17、VD10、C5、B、VT2和蜂鸣片组成的鸟叫声电路具有简单、稳定、音量大和音质好等特点,在1~20V电源电压下都能稳定工作。电压较低时,VD10可不用。振荡变压器B用6mm的工字磁芯,先用0.03mm漆包线绕T1,再用0.09mm漆包线绕T2。


 

觉得这篇文章有帮助吗?