MP3自动断电电路图

📅 发布时间:2013-09-24 02:45 👁️ 浏览:5 🏷️ 标签: MP3 自动断电 电路图

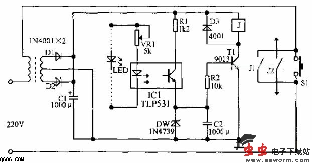
MP3自动断电电路如下图所示,将MP3音频输出线引出,用光点耦合器IC1中的光电管接音频线。有声音出现时,取代后的光电管发光,使光电三级管的阻值减小,输出的高电平经DW稳压后向T1的发射结提供正向导通电压,使T1导通,继电器吸合。电容C2的缓慢放电过程提供一种延时功能,改变C2的大小可改变延时的长短。

 

觉得这篇文章有帮助吗?