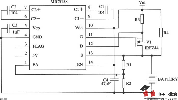
由MIC5158制作的电池恒流充电电路图

📅 发布时间:2013-09-24 01:40 👁️ 浏览:10 🏷️ 标签: 5158 MIC 电池 恒流充电

本充电器是由MIC5158构成的恒流充电电路。该电路在整个充电过程中提供一个恒定的电流(35 mV/R3),直到电池的电压充到:

。式中,Vfl为浮充电压(V)。在达到浮充电压的条件时,MOSFET管就被关断,电荷电流就由R4来提供通路。

觉得这篇文章有帮助吗?