碱性电池能否充电的问题,有两种不同的说法,这让很多人不知左右。有的说可以充,效果非常好。有的说绝对不能充,电池说明提示了会有爆炸的危险。事实上,碱性电池确可充电,充电次数一般为30-50次左右。
那为什么会出现上述两种不同的说法呢?实际上是由于在充电方法上的掌握,导致了截然不同的两种后果。首先 ,碱性电池可以充电是毋庸置疑的,同时,在电池的说明中,都提到碱性电池不可充电,充电可能导致爆炸。这也是没错的,但是注意这里的用词是“可能”导致爆炸。你也可以理解为厂家的一种免责性的自我保护声明。碱性电池充电的关键是温度。只要能做到对电池充电时不出现高温,就可以顺利地完成充电过程,正确的充电方法要求有几点:
1、小电流50MA
2、不过充1.7V,不过放1.3V
一些人尝试充电实践后,斩钉截铁地说不能充电,之所以出现充不进电、用电时间短、漏液、爆炸等问题,多数是充电器的问题,如果充电器充电电流太大,远超过50ma,如一些快速充电器充电电流在200ma以上,直接的后果是电池温度很高,摸上去烫手,轻则会漏液,严重的就会爆炸。
有的人使用镍氢充电电池充电器来充,低档的充电器没有自动停充功能,长时间的充电导致电池过充也会出现漏液和爆炸。好一点的充电器有自动停充功能,但停充电压一般设定为镍氢充电电池的1.42V,而碱性电池充满电压约为1.7V。因此,电压太低,感觉上就是充不进电,用电时间短,没什么效果。再有就是电池不过放指的是不要等到电池完全没电再充电,这样操作,再好的电池也就能充三、五次,且效果差。
一般建议用南孚碱性电池电压不低于1.3V。所以,你如果打算对碱性电池充电,必须要有一个合格的充电器,充电电流50ma左右,充电截止电压1.7V左右。看看你家的充电器吧。
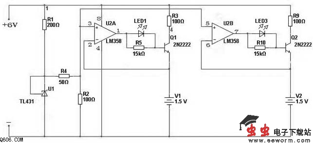
市面上有卖碱性电池专用充电器的,谓之专利产品。实际上就是充电电压1.7V电流50ma的简单电路。利用手边现有的零件LM358和TL431,我做了个简单电路,截止电压1.67V自动停充,成本两元而已。附电路图供感兴趣的朋友参考。

相关说明:
碱锰充电电池:是在碱性锌锰电池的基础上发展起来的,由于应用了无汞化的锌粉及新型添加剂,故又称为无汞碱锰电池。这种电池在不改变原碱性电池放电特性的同时,又能充电使用几十次到几百次,比较经济实惠。
碱性锌锰电池简称碱锰电池,它是在1882年研制成功,1912年就已开发,到了1949年才投产问世。人们发现,当用KOH电解质溶液代替NH4Cl做电解质时,无论是电解质还是结构上都有较大变化,电池的比能量和放电电流都能得到显著的提高。
它的特点:(1)开路电压为1.5V;(2)工作温度范围宽在-20℃~60℃之间,适于高寒地区使用;(3)大电流连续放电其容量是酸性锌锰电池的5倍左右;(4)它的低温放电性能也很好。
充电次数在30次以内,一般10-20次,需要特别充电器,极为容易丧失充电能力。
一般放电中止于1.2v