自激反馈开关稳压电源

📅 发布时间:2013-09-23 23:20 👁️ 浏览:0 🏷️ 标签: 反馈 开关稳压电源

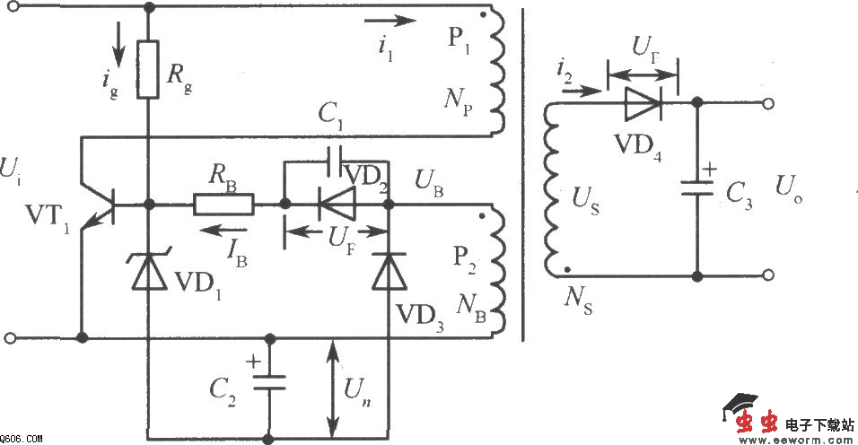
       自激反馈开关稳压电源基本原理如图所示。当加上输入电压时,电流经Rg流向开关管VTl的基极,使VTl导通,此时变压器副边的二极管反向偏置,无电流流过,于是VTl集电极电流和变压器绕组Np中流动的电流相等。由于是从零启动,因此基极电流不大就能使VTl导通。Rg被称为启动电阻。

觉得这篇文章有帮助吗?