声光控制的电子路标电路图

📅 发布时间:2013-09-23 23:10 👁️ 浏览:1 🏷️ 标签: 声光控制 电子 电路图

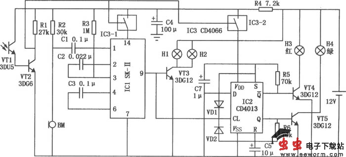
       马路的好伴侣—自动电子路标的电路如图所示,它主要由声控电路、振荡电路及驱动显示电路等部分组成。

 

觉得这篇文章有帮助吗?